SKF619/950MB轴承详细参数

发布时间:2026-05-30
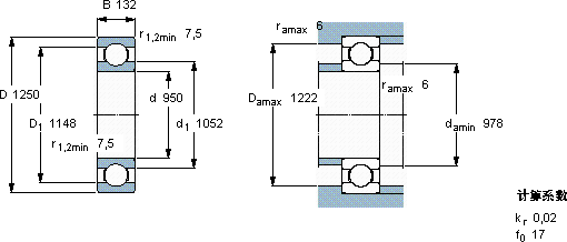
深沟球轴承, 单列, 无密封件
主要数据尺寸 基本负荷额定值 疲劳负荷限值 额定速度 体积 型号
动态 静态 参照速度 限制速度
d D B C C0 Pu
mm kN kN r/min kg -
95012501321010280036750630390619/950 MB

SKF619/950MB深沟球轴承供应商

八零动力专业销售619/950MB深沟球轴承,库存SKF619/950MB大量现货,与SKF合作,咨询热线:022-58519723业务咨询
SKF619/950MB让工作更高效,品质永相随该轴承的性能卓越,完全满足了各种严苛工况的需求它的精准度,让机械运转分毫不差 要设备更出色它在汽车工业中的应用,让车辆运行更加平稳 ,八零动力SKF深沟球轴承品种全,价格优,质量有保证!

用户关注最多的SKF轴承型号

SKF23030CCK/W33+AHX3030* SKF3318A SKF6207-2Z/VA201 SKF7040C/DB SKFBT4B334028G/HA1VA901 SKFC41/500K30MB* SKFCR16038 SKFCR250x285x16HDS2D SKFCR34x56x8CRW1V SKFCR35X52X8HMSA10RG SKFCR63X90X10HMS5V SKFCR99844 SKFGS81117 SKFIR22x26x20 SKFNKX30

619/950MB深沟球轴承近似的SKF轴承型号

SKF61924 SKF619/850MA SKF61932 SKF61902-2RS SKF619/800MA SKFW619/5-2Z SKFW61903-2Z SKF61901-2RZ SKFW619/9-2Z SKF619/500MA SKF619/900MB SKF6200*

用户关注最多的轴承狗热门型号

FAG  NNU4948-S-K-M-SP SKF  7322B/DF NTN  7203AC/DT SKF  CR3171 FAG  SNV230-L + 22226-E1-K + H3126 + DH526 FAG  SNV130-L + 1215-K-TVH-C3 + H215X210 + TCV515X210 MRC  7206C/DF DKF  7336AC/DF NSK  24192CAE4 KOYO  JH415647/10 STEYR  NJ324 KOYO  NJ217E BARDEN  7040AC/DF FLT  N413 IKO  POS8

版权所有©2009-2015 轴承狗zcgou.com ICP备案:津ICP备14004550号-13