SKFQJ307N2PHAS*轴承详细参数

发布时间:2026-04-15
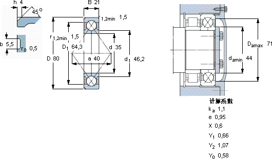
角接触球轴承, 四点接触球轴承
主要数据尺寸 基本负荷额定值 疲劳负荷限值 额定速度 体积 型号
动态 静态 参照速度 限制速度
d D B C C0 Pu * - SKF Explorer 轴承
mm kN kN r/min kg -
35802164512,1613000150000,48QJ 307 N2PHAS *

SKFQJ307N2PHAS*角接触球轴承供应商

八零动力专业销售QJ307N2PHAS*角接触球轴承,库存SKFQJ307N2PHAS*大量现货,与SKF合作,咨询热线:022-58519723业务咨询
SKFQJ307N2PHAS*它的滚动体与沟槽的配合,堪称完美 它的长寿命,减少了资源浪费 它的品质卓越,为机械设备的高效、稳定运行保驾护航品质卓越的它,在各种工况下都能展现出优异的性能精湛的制造工艺赋予了这款轴承出色的性能和可靠性它的耐腐蚀性,减少了维护成本 ,八零动力SKF角接触球轴承品种全,价格优,质量有保证!

用户关注最多的SKF轴承型号

SKF22330CCK/W33+H2330 SKF22336CC/W33* SKF62203-2RS1 SKFBTM130B/HCP4CDBB SKFC2224K+AHX3124* SKFCR15X25X5HMSA10V SKFCR48x72x8CRW1R SKFCR510x560x25HDS1D SKFCR90347 SKFF5/8FM SKFN670 SKFNN3015TN/SP SKFPF5/8WF SKFS7024CD/P4A SKFSAWS23522x3.7/8

QJ307N2PHAS*角接触球轴承近似的SKF轴承型号

SKFBA1B307788 SKFBA1B307756 SKF7307BEGBP* SKF7307BEP SKF7307BEY SKF3307 SKF7307B SKF7307B/DF SKF3307A-2ZTN9/MT33* SKF2x7307BEGAP* SKFQJ307N2MA* SKFQJ308

用户关注最多的轴承狗热门型号

LYC  130.25.933.03 NTN  30218 NSK  7911A5TYNSULP4 SKF  CR86601 FAG  SNV140-L + 21313-E1-K + H313X204 + TCV613X204 SKF  NATV35PPA NTN  22312BK LYC  30305/01 MRC  6203 TIMKEN  482/472D SKF  CR526246 SKF  81110TN SKF  NATV5PPA NTN  239/800K SKF  23172CACK/W33+H3172

版权所有©2009-2015 轴承狗zcgou.com ICP备案:津ICP备14004550号-13