SKFQJ307N2MA*轴承详细参数

发布时间:2026-04-15
角接触球轴承, 四点接触球轴承
主要数据尺寸 基本负荷额定值 疲劳负荷限值 额定速度 体积 型号
动态 静态 参照速度 限制速度
d D B C C0 Pu * - SKF Explorer 轴承
mm kN kN r/min kg -
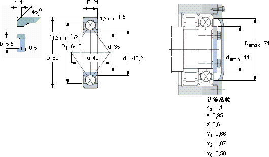
35802164512,1611000150000,57QJ 307 N2MA *

SKFQJ307N2MA*角接触球轴承供应商

八零动力专业销售QJ307N2MA*角接触球轴承,库存SKFQJ307N2MA*大量现货,与SKF合作,咨询热线:022-58519723业务咨询
SKFQJ307N2MA*制造工艺先进,使得这款轴承的性能远超普通产品转动不停歇这轴承的稳定性极佳,在高速运转时也能保持良好状态轴承的耐用性超乎想象,有效降低了设备的维护成本它的使用寿命,远超同类产品 机械的心脏,八零动力SKF角接触球轴承品种全,价格优,质量有保证!

用户关注最多的SKF轴承型号

SKF239/950CA/W33 SKF241/950ECAF/W33 SKF61913-RZ SKF7318BECBJ SKFBC4B322261/HB1 SKFBTM85A/HCP4CDBB SKFCR12X19X5HMSA10RG SKFCR16657 SKFCR29968 SKFCR99312 SKFFYRP4H SKFNNU4848K/W33 SKFPCM101210M SKFPCM101212M SKFPCMF151717E

QJ307N2MA*角接触球轴承近似的SKF轴承型号

SKFQJ307N2PHAS* SKF5307E-2Z SKF7307B/DF SKF3307A-RS SKF2x466895/307377 SKF307238 SKF3307A* SKF3307A-2ZTN9/MT33* SKF7307B/DB SKF307352 SKFQJ307MA* SKFQJ307N2PHAS*

用户关注最多的轴承狗热门型号

STEYR  2317K 国产  F/28*38*28 KOYO  7014C/DT 国产  K14*20*9 NTN  6011-2ZN TIMKEN  99537/99101D+X2S-99537 INA  GE20-LO 国产  351088 国产  24034C/W33 SKF  CR17X40X10HMSA10RG LYC  7611E/01 KOYO  15101/250R IKO  NAXI5040Z IKO  LWET25.../U IKO  LWLF18...BCS

版权所有©2009-2015 轴承狗zcgou.com ICP备案:津ICP备14004550号-13