SKF7307BECBM*轴承详细参数

发布时间:2026-04-14
角接触球轴承, 单列
主要数据尺寸 尺寸 [英寸] 疲劳负荷限值 额定速度 体积 型号
动态 静态 参照速度 限制速度
d D B C C0 Pu * - SKF Explorer 轴承
mm kN kN r/min kg -
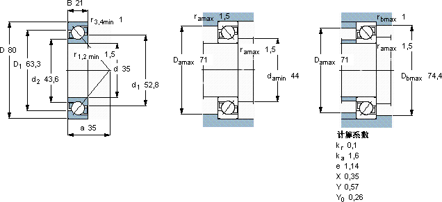
35802141,526,51,1411000110000,497307 BECBM *

SKF7307BECBM*角接触球轴承供应商

八零动力专业销售7307BECBM*角接触球轴承,库存SKF7307BECBM*大量现货,与SKF合作,咨询热线:022-58519723业务咨询
SKF7307BECBM*质量无可挑剔的轴承,在行业内树立了良好的口碑和形象它的材质选择,体现了对耐用性的极致追求 减少摩擦降低能耗是机械世界的璀璨明星,它的轴向游隙控制,精准到令人惊叹 这款轴承的稳定性极佳,在长时间运行中也能保持良好状态,八零动力SKF角接触球轴承品种全,价格优,质量有保证!

用户关注最多的SKF轴承型号

SKF22256CCK/W33+AOH2256G* SKF232/560CA/W33 SKF5310E-2Z SKF6032-2Z SKF628/8-2RS1 SKF71816ACD/HCP4 SKF7203ACD/P4A SKFAH315G SKFBSD4090CG SKFCR17544 SKFCR16084 SKFFYM2.11/16TF SKFIR70x80x25 SKFNA6906 SKFNJ328ECML*

7307BECBM*角接触球轴承近似的SKF轴承型号

SKF7307BEP SKF2x7307BECBP* SKF7307BECBY SKF7307BECBM* SKF2x7307BECBY SKF7307BECBP* SKF7307B/DF SKF2x7307BEGAP* SKF7307B/DT SKF7307BEY SKF7307BEY SKF7307BECBP*

用户关注最多的轴承狗热门型号

NSK  6836 STEYR  NJ2211E SKF  3202ATN9 NSK  UCFL205-014D1 INA  GE500-DO LYC  6200 E/P6 GMN  71909C/DT TIMKEN  K28X38X25,5 NACHI  7007CDF NSK  22318HE4 LYC  32218/P5 SKF  24128CCK30/W33+AH24128* SKF  315836 SKF  SYF25TF NACHI  7024CDF

版权所有©2009-2015 轴承狗zcgou.com ICP备案:津ICP备14004550号-13