SKFQJ206MA*轴承详细参数

发布时间:2026-04-14
角接触球轴承, 四点接触球轴承
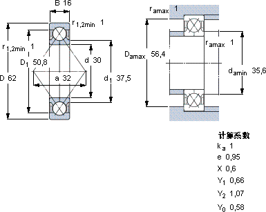
主要数据尺寸 基本负荷额定值 疲劳负荷限值 额定速度 体积 型号
动态 静态 参照速度 限制速度
d D B C C0 Pu * - SKF Explorer 轴承
mm kN kN r/min kg -
30621637,530,51,2914000190000,24QJ 206 MA *

SKFQJ206MA*角接触球轴承供应商

八零动力专业销售QJ206MA*角接触球轴承,库存SKFQJ206MA*大量现货,与SKF合作,咨询热线:022-58519723业务咨询
SKFQJ206MA*它的品质卓越,为机械设备的高效、稳定运行保驾护航旋转无忧这轴承的选材讲究,坚固耐用,寿命远超同类产品质量上乘的轴承,为设备的高效稳定运行奠定了基础它的每一次转动,都是对精准度的极致追求 它的几何精度,让机械运转分毫不差 ,八零动力SKF角接触球轴承品种全,价格优,质量有保证!

用户关注最多的SKF轴承型号

SKF30228J2/DFC100 SKF61915 SKF627-2RZ SKF6307/HR22Q2 SKF71822CD/HCP4A SKF71909FB/P7 SKFCR30X45X8CRS1V SKFCR86850 SKFCR99325 SKFGEZM400ES-2RS SKFHCRE110R SKFK30x37x18 SKFN1017KTNHA/HC5SP SKFNNCF5007CV SKFSDAF22220

QJ206MA*角接触球轴承近似的SKF轴承型号

SKF5206E SKFQJ206 SKF3206A-2ZTN9/MT33* SKF7206AC/DF SKF3206A-2RS1TN9/MT33* SKF7206BEP SKF7206BEGAY SKFQJ206MA* SKF7206BECAP* SKF5206A* SKFQJ206N2MA SKFQJ206N2MA*

用户关注最多的轴承狗热门型号

INA  RCJY50-JIS LYC  23032/C3W33 TIMKEN  HM66 SKF  231/670CA/W33 FAG  BND3126-H-W-Y-BF-S FYH  UCK305 SKF  7008CE/HCP4A FAG  BND3148-Z-T-AL-S RHP  7210C/DT 国产  6311-ZN FAG  KL68149-L68110 TIMKEN  H715336/H715310 国产  RN311E INA  GAY108-NPP-B-AS2/V NTN  NU303

版权所有©2009-2015 轴承狗zcgou.com ICP备案:津ICP备14004550号-13