SKF2x7206BEGAP*轴承详细参数

发布时间:2026-05-30
角接触球轴承, 单列,用于配对安装, 面对面配对
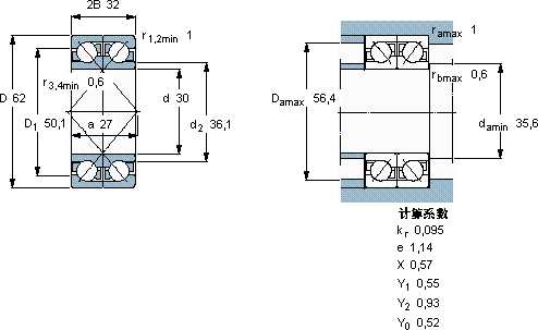
主要数据尺寸 基本负荷额定值 疲劳负荷限值 额定速度 体积 型号 轴承配对
动态 静态 参照速度 限制速度
d D 2B C C0 Pu * - SKF Explorer 轴承
mm kN kN r/min kg --
30623239311,3211000140000,382 × 7206 BEGAP *DF

SKF2x7206BEGAP*角接触球轴承供应商

八零动力专业销售2x7206BEGAP*角接触球轴承,库存SKF2x7206BEGAP*大量现货,与SKF合作,咨询热线:022-58519723业务咨询
SKF2x7206BEGAP*先进的制造技术和严格的质量控制,造就了这款优质轴承它的密封性能,完美抵御灰尘和杂质的侵袭 坚固的结构稳定的性能优秀的设计让这款轴承在运行时更加高效节能制造工艺先进,使得这款轴承的性能远超普通产品它的抗氧化性能,延长了它的使用寿命 ,八零动力SKF角接触球轴承品种全,价格优,质量有保证!

用户关注最多的SKF轴承型号

SKF30216 SKF32319J2 SKFC4038K30V* SKFCR22X31X7CRW1P SKFCR29112 SKFCR35X52X8HMSA10V SKFCR526806 SKFFBSA204/QFC SKFFYT1.1/2TF SKFNJ2232ECMA SKFNNCF5068CV SKFNNCL4868CV SKFPF25WF SKFSNL3184LTURT SKFSYR2.-3

2x7206BEGAP*角接触球轴承近似的SKF轴承型号

SKF7206BEY SKF7206C/DB SKF7206B/DF SKF7206BECAP* SKF7206BEGAY SKF2x7206BEGAY SKF2x7206BEGAP* SKF7206BEGBP* SKF7206BEP SKF2x7206BECBY SKF2x7206BECBY SKF2x7206BEGAY

用户关注最多的轴承狗热门型号

SKF  SY2.7/16TF/VA228 TORRINGTON&FAFNIR  6316 国产  7236AC NSK  7214BYDB SKF  CR419993 LYC  23128 CAN LYC  382084X3/HCP6 ZKL  7322B/DB LYC  319/710 X2/P6 INA  HK6012 NTN  61912-2RS TIMKEN  SAF22318 TIMKEN  90RIT399 SKF  NUKR72A IKO  TAM3525

版权所有©2009-2015 轴承狗zcgou.com ICP备案:津ICP备14004550号-13