SKFQJ206N2MA*轴承详细参数

发布时间:2026-04-15
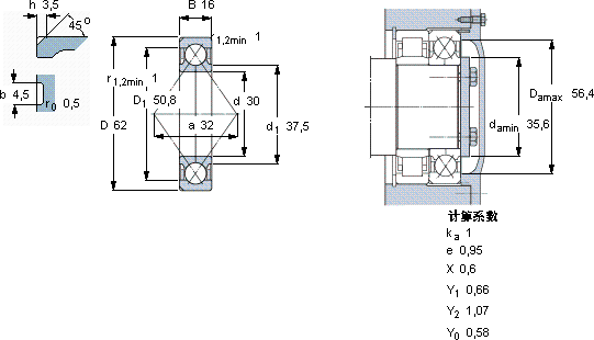
角接触球轴承, 四点接触球轴承
主要数据尺寸 基本负荷额定值 疲劳负荷限值 额定速度 体积 型号
动态 静态 参照速度 限制速度
d D B C C0 Pu * - SKF Explorer 轴承
mm kN kN r/min kg -
30621637,530,51,2914000190000,24QJ 206 N2MA *

SKFQJ206N2MA*角接触球轴承供应商

八零动力专业销售QJ206N2MA*角接触球轴承,库存SKFQJ206N2MA*大量现货,与SKF合作,咨询热线:022-58519723业务咨询
SKFQJ206N2MA*它的每一次转动,都是对精准度的极致追求 这轴承的选材讲究,坚固耐用,寿命远超同类产品没有轴承,现代机械将寸步难行,它的精准度,让机械运转分毫不差 它在农业机械中的应用,展现了它的耐用性 先进的制造工艺,让这款轴承的性能更加稳定可靠,八零动力SKF角接触球轴承品种全,价格优,质量有保证!

用户关注最多的SKF轴承型号

SKF1201ETN9 SKF2212E-2RS1KTN9+H312C SKF238/1000CAKMA/W20 SKF29434E* SKF32936/DF SKF3309A* SKF6004-2Z/VA208 SKFC3184M* SKFCR16117 SKFCR37577 SKFNJ2308E+HJ2308E SKFP1.3/16TF SKFPWTR25.2RS SKFQJ344N2/309829 SKFYAR211-203-2FW/VA228

QJ206N2MA*角接触球轴承近似的SKF轴承型号

SKF7206C/DF SKF7206BEGAY SKF7206BEGBP* SKF2x7206BECAP* SKFQJ206 SKF7206BECAP* SKF3206A-2Z SKF7206B/DB SKF7206BECBY SKFQJ206MA* SKFQJ206MA* SKFQJ207

用户关注最多的轴承狗热门型号

TIMKEN  22SBT36 SKF  IR65x73x25 LYC  97526X2 SKF  NNF5015ADA-2LSV SKF  CRMVR1-105 NSK  22309HKE4 LYC  7218 C/P6 FAG  SNV250-L + 23228-E1-K-TVPB + H2328X415 + TSV528X41 NTN  240/630BK30 SKF  2x7048BGM STEYR  6017-2Z LYC  NUTR50110 SKF  51112 SKF  WS81136 LYC  6303 X2-FS

版权所有©2009-2015 轴承狗zcgou.com ICP备案:津ICP备14004550号-13