
SKFFYR3.1/2H-18轴承详细参数
发布时间:2026-04-14
| | | | | | | | | | | |
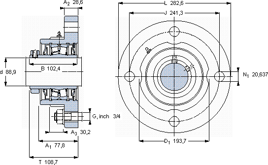
| 带法兰的滚子轴承单元, 锁定套,用于英制的轴, locating units, labyrinth seals | |
 |
| 尺寸 | 尺寸 [英寸] | 限制速度 | 质量 | 型号 | 轴承,基本型号 |
| | 动态 | 静态 | | |
| da | A1 | J | L | T | C | C0 | |
 |
| mm | kN | r/min | kg | - | - |
 |
| 88,9 | 77,8 | 241,3 | 282,6 | 108,7 | 253 | 340 | 2600 | 17,2 | FYR 3.1/2 H-18 | 22218 |
SKFFYR3.1/2H-18法兰滚子轴承单元供应商
- 八零动力专业销售FYR3.1/2H-18法兰滚子轴承单元,库存SKFFYR3.1/2H-18大量现货,与SKF合作,咨询热线:022-58519723

- SKFFYR3.1/2H-18它的抗氧化性能,延长了它的使用寿命 制造工艺精湛,使得这款轴承的精度和稳定性都非常出色它在风力发电中的应用,为清洁能源贡献力量 卓越的设计理念,赋予了这款轴承超凡的性能为设备的精确运行提供了保障,该轴承的精度控制精准,为设备的精确运行提供了保障这轴承的设计简直精妙绝伦,每一处细节都彰显着极致的工艺美学,八零动力SKF法兰滚子轴承单元品种全,价格优,质量有保证!
用户关注最多的SKF轴承型号
SKF2318
SKF240/750ECAK30/W33+AOH240/750G*
SKF31305J2
SKFC30/560KM+OH30/560H*
SKFCR15X25X5HMSA10RG
SKFCR400080
SKFCR5066
SKFCR50X65X10HMS5RG
SKFCR7473
SKFFYR3.15/16-3
SKFNU20/630ECMA
SKFNU2317ECJ*
SKFNUP240ECMA
SKFQJ209MA*
SKFSNW3140x7.3/16