
SKFFYRP1.3/4H-3轴承详细参数
发布时间:2026-04-14
| | | | | | | | | | | |
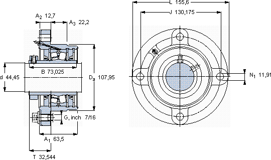
| 带法兰的滚子轴承单元, 锁定套和插口,用于英制的轴, locating units, radial shaft seals | |
 |
| 尺寸 | 尺寸 [英寸] | 限制速度 | 质量 | 型号 | 轴承,基本型号 |
| | 动态 | 静态 | | |
| da | A1 | J | L | T | C | C0 | |
 |
| mm | kN | r/min | kg | - | - |
 |
| 44,45 | 63,5 | 130,175 | 155,6 | 32,544 | 77 | 88,1 | 2650 | 3,49 | FYRP 1.3/4 H-3 | 22209 |
SKFFYRP1.3/4H-3法兰滚子轴承单元供应商
- 八零动力专业销售FYRP1.3/4H-3法兰滚子轴承单元,库存SKFFYRP1.3/4H-3大量现货,与SKF合作,咨询热线:022-58519723

- SKFFYRP1.3/4H-3要设备更出色它的旋转精度,让高速运转成为现实 转动精彩它的故障率极低,确保了设备的稳定运行 这轴承的设计简直精妙绝伦,每一处细节都彰显着极致的工艺美学它的热处理工艺,增强了它的硬度和韧性 ,八零动力SKF法兰滚子轴承单元品种全,价格优,质量有保证!
用户关注最多的SKF轴承型号
SKF232/670CA/W33
SKF240/670ECAK30/W33+AOH240/670G*
SKF3311A*
SKF61809
SKF624
SKFC2205KV+H305E*
SKFCR15892
SKFCR593180
SKFCR70X90X12HMS5RG
SKFFYT3/4FM
SKFKMK14
SKFNN3044K/SPW33
SKFNUP208ECJ*
SKFSC71911FB/P7
SKFYAR208-108-2FW/VA228