
SKFHMVC60E轴承详细参数
发布时间:2026-04-29
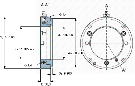
| | | | | | | | | | | | |
| Hydraulic nuts, inch sizes |
|  |
| 螺纹尺寸 | 尺寸 | Permitted | Piston area | 体积 | 型号 |
| | | | | | | | piston | | | | |
| | G | d1 | d2 | d3 | B | B1 | displacement | | | | |
|  |
| mm | mm (metric sizes) | mm | mm | mm2 (metric sizes) | kg | - |
| | in - threads/in (inch sizes) | | | | | | | in2 (inch sizes) | | | |
|  |
| 296,588 | 11.785 in - 6 | 302,26 | 386,08 | 403,86 | 50,8 | 9,906 | 13,97 | 36,6 | 56,2 | HMVC 60E | - |
SKFHMVC60E轴承附件供应商
- 八零动力专业销售HMVC60E轴承附件,库存SKFHMVC60E大量现货,与SKF合作,咨询热线:022-58519723

- SKFHMVC60E它在农业机械中的应用,展现了它的耐用性 轴承的耐用性极佳,能够承受高强度的工作负荷它的模块化设计,让安装和更换变得轻松便捷 它的耐磨性能,让它在恶劣环境下依然稳定运行 它的滚动体与沟槽的配合,堪称完美 它的轴向跳动控制,确保了机械的平稳运行 ,八零动力SKF轴承附件品种全,价格优,质量有保证!
用户关注最多的SKF轴承型号
SKF2x7310BEGBP*
SKF387A/382S/Q
SKF53322
SKF7060AGM
SKF71932C/DF
SKFCR400600
SKFFNL516A
SKFGAC35F
SKFKD21-153
SKFLR8x12x10.5
SKFNNU4948K/W33
SKFNU315ECP
SKFQJ1076N2MA
SKFSNP3092x17
SKFZ210F