
SKFFYR2.11/16H-3轴承详细参数
发布时间:2026-04-21
| | | | | | | | | | | |
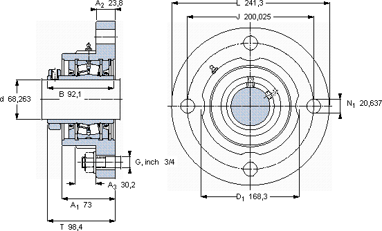
| 带法兰的滚子轴承单元, 锁定套,用于英制的轴, locating units, radial shaft seals | |
 |
| 尺寸 | 尺寸 [英寸] | 限制速度 | 质量 | 型号 | 轴承,基本型号 |
| | 动态 | 静态 | | |
| da | A1 | J | L | T | C | C0 | |
 |
| mm | kN | r/min | kg | - | - |
 |
| 68,263 | 73 | 200,025 | 241,3 | 98,4 | 158 | 208 | 1600 | 12,2 | FYR 2.11/16 H-3 | 22215 |
SKFFYR2.11/16H-3法兰滚子轴承单元供应商
- 八零动力专业销售FYR2.11/16H-3法兰滚子轴承单元,库存SKFFYR2.11/16H-3大量现货,与SKF合作,咨询热线:022-58519723

- SKFFYR2.11/16H-3引领转动新潮流,它在航空航天领域的应用,展现了它的高可靠性 性能优越的轴承,极大地提高了设备的工作效率和稳定性轴承的选材精良,确保了其具有良好的耐磨性和抗腐蚀性它的质量过硬,为机械设备的高效、安全运行提供了保障先进的制造技术,让这款轴承的质量达到了行业领先水平,八零动力SKF法兰滚子轴承单元品种全,价格优,质量有保证!
用户关注最多的SKF轴承型号
SKF22309E/VA405*
SKF22330CC/W33
SKF2311K+H2311
SKF32064X
SKF53178/53377/Q
SKF7317B/DF
SKFAHX318/80
SKFBT2B332501A/HA4
SKFCR40X56X8HMS5V
SKFCR63X85X10HMSA10RG
SKFGEZ600TXA-2LS
SKFNCF2892V
SKFNU1040MA
SKFPCZ4848M
SKFSAW23236