SKF7320BECBY轴承详细参数

发布时间:2026-05-30
角接触球轴承, 单列
主要数据尺寸 尺寸 [英寸] 疲劳负荷限值 额定速度 体积 型号
动态 静态 参照速度 限制速度
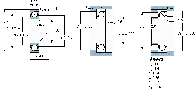
d D B C C0 Pu
mm kN kN r/min kg -
100215472031906,4360036007,157320 BECBY

SKF7320BECBY角接触球轴承供应商

八零动力专业销售7320BECBY角接触球轴承,库存SKF7320BECBY大量现货,与SKF合作,咨询热线:022-58519723业务咨询
SKF7320BECBY它在化工设备中的应用,展现了它的耐腐蚀性 这轴承的稳定性极佳,即使在恶劣环境下也能正常工作质量无可挑剔的轴承,为设备的高效运作提供了有力支持轴承的耐用性极佳,能够承受高强度的工作负荷它的精密制造工艺,让人叹为观止 它在医疗设备中的应用,确保了设备的稳定性 ,八零动力SKF角接触球轴承品种全,价格优,质量有保证!

用户关注最多的SKF轴承型号

SKF22208E* SKF30211J2/Q SKF314024C SKF33016 SKF4218ATN9 SKF6022-RS SKF6304-Z* SKF71811CD/P4A SKFC39/950KMB+OH39/950HE* SKFCR62x85x8CRW1R SKFCR57510 SKFFYR1.3/4H SKFGEH90ES-2RS SKFH310C SKFRNU304

7320BECBY角接触球轴承近似的SKF轴承型号

SKF2x7320BECBY SKF2x7320BEGBY SKF7320BEY SKF2x7320BECBM* SKF2x7320BEGAP* SKF7320BECBY SKF7320BEGAM* SKF7320BEP SKF2x7320BEGAM* SKF7320BECBP SKF7320BECBP* SKF7320BECCM*

用户关注最多的轴承狗热门型号

SKF  71918CE/P4A FAG  SNV340-L + 22332-MB + DH332 GMN  7203C/DB SKF  NA6903 SKF  NNU41/1400M/W33 KOYO  7218C/DF KOYO  NU2205 KOYO  23296CAC/W33 TIMKEN  100TPS145 LYC  1308 K FAG  BND3140-Z-Y-BL-S SKF  BC2B326880/HB1 NSK  54312 FAG  22328-E1-K + H2328 IKO  KT182420

版权所有©2009-2015 轴承狗zcgou.com ICP备案:津ICP备14004550号-13