SKF7320BEGAM*轴承详细参数

发布时间:2026-05-29
角接触球轴承, 单列
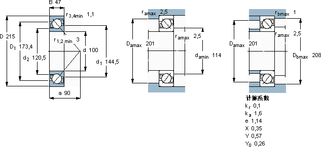
主要数据尺寸 尺寸 [英寸] 疲劳负荷限值 额定速度 体积 型号
动态 静态 参照速度 限制速度
d D B C C0 Pu * - SKF Explorer 轴承
mm kN kN r/min kg -
100215472162086,95400040008,007320 BEGAM *

SKF7320BEGAM*角接触球轴承供应商

八零动力专业销售7320BEGAM*角接触球轴承,库存SKF7320BEGAM*大量现货,与SKF合作,咨询热线:022-58519723业务咨询
SKF7320BEGAM*精湛的制造工艺赋予了这款轴承出色的性能和可靠性它在纺织机械中的应用,确保了设备的高速运转 它的表面硬化处理,延长了它的使用寿命 旋转不息这轴承的设计精妙,充分考虑了各种实际应用需求轴承的选材精良,确保了其具有良好的耐磨性和抗腐蚀性,八零动力SKF角接触球轴承品种全,价格优,质量有保证!

用户关注最多的SKF轴承型号

SKF16056MA SKF6008* SKF61903-2RS1 SKFBT4B334108G/HA4VA901 SKFC7013FB/P7 SKFC7018FB/P7 SKFCR10123 SKFCR28X44X6HMSA10RG SKFCR45X68X7HMSA10RG SKFCR4980 SKFK32x37x13 SKFIR40x50x20IS1 SKFKMFE30 SKFNJ314ECJ* SKFPFT1.1/8RM

7320BEGAM*角接触球轴承近似的SKF轴承型号

SKF2x7320BECCM* SKF7320BEP SKF7320BECCM* SKF7320B/DT SKF7320BEGAF SKF2x7320BECBP* SKF7320BECBY SKF7320BEM SKF2x7320BEGAP* SKF7320BECBP* SKF7320BEGAF SKF7320BEGAP*

用户关注最多的轴承狗热门型号

LYC  NJ 2232 WBK FAG  BND3080-H-W-Y-BF-S INA  GE12-FW SKF  PFT20WF 国产  160020 TIMKEN  93787/93127CD/X3S-93787 SKF  CR11299 LYC  552732QT/02 SKF  7213BEGAY LYC  688 2RS FAG  SNV110-L + 22212-E1 + FSV212 NSK  7007A 国产  6018-2Z/Z3 NSK  UCFL204D1 IKO  TAM3015

版权所有©2009-2015 轴承狗zcgou.com ICP备案:津ICP备14004550号-13