SKF7320BECBP*轴承详细参数

发布时间:2026-05-30
角接触球轴承, 单列
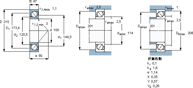
主要数据尺寸 尺寸 [英寸] 疲劳负荷限值 额定速度 体积 型号
动态 静态 参照速度 限制速度
d D B C C0 Pu * - SKF Explorer 轴承
mm kN kN r/min kg -
100215472162086,95400040007,177320 BECBP *

SKF7320BECBP*角接触球轴承供应商

八零动力专业销售7320BECBP*角接触球轴承,库存SKF7320BECBP*大量现货,与SKF合作,咨询热线:022-58519723业务咨询
SKF7320BECBP*优秀的设计和卓越的性能,让这款轴承备受青睐高品质的轴承,在各种复杂工况下都能展现出卓越的性能表现这轴承的精度控制令人佩服,为设备的精准运行提供了保障它的加工设备,代表了世界领先水平 它的使用寿命,远超同类产品 精湛的制造工艺赋予了这款轴承出色的性能和可靠性,八零动力SKF角接触球轴承品种全,价格优,质量有保证!

用户关注最多的SKF轴承型号

SKF16012* SKF350901C SKF6312-Z* SKF7010ACE/HCP4A SKF71922ACD/P4A SKF7216B SKF7226AC/DF SKFAOH24076 SKFC3172KM+AOH3172G* SKFCR17607 SKFCR37405 SKFHA2340 SKFNA6901 SKFNN3076K/SPW33 SKFYAR209-111-2FW/VA201

7320BECBP*角接触球轴承近似的SKF轴承型号

SKF7320BEM SKF2x7320BEGAP* SKF2x7320BECCM* SKF7320BEGAM* SKF7320BEY SKF7320BEGAF SKF7320BECBP* SKF7320BECBP SKF7320B/DT SKF7320BEGBY SKF7320BECBM* SKF7320BECBY

用户关注最多的轴承狗热门型号

FAG  SNV180-L + 2317-M + TCV317 LYC  22315 CA/C3 FAG  SNV290-L + 23232-E1-K-TVPB + H2332X508 + TSV532 INA  GE40-FW-2RS STEYR  NUP412 LYC  23936 CA/C3W33 SNR  16010 NSK  7011CTY FAG  SNV200-L + 22222-E1-K + H322X314 + FSV522X314 NTN  NNU4952K SKF  N316ECP TIMKEN  GYM1108KRRB ZKL  NJ226 NSK  7319ADT FAG  F522-A-L + 20222-K-MB-C3

版权所有©2009-2015 轴承狗zcgou.com ICP备案:津ICP备14004550号-13