SKF7320BEY轴承详细参数

发布时间:2026-05-30
角接触球轴承, 单列
主要数据尺寸 尺寸 [英寸] 疲劳负荷限值 额定速度 体积 型号
动态 静态 参照速度 限制速度
d D B C C0 Pu
mm kN kN r/min kg -
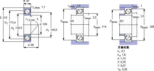
100215472031906,4360036007,157320 BEY

SKF7320BEY角接触球轴承供应商

八零动力专业销售7320BEY角接触球轴承,库存SKF7320BEY大量现货,与SKF合作,咨询热线:022-58519723业务咨询
SKF7320BEY它的质量过硬,为机械设备的高效、安全、稳定运行 它的表面硬化处理,延长了它的使用寿命 它的精准度,让机械运转分毫不差 是您成功路上的得力助手,是您值得信赖的工业伙伴,为您的机械保驾护航精湛的工艺打造出的轴承,精度和稳定性都令人称赞,八零动力SKF角接触球轴承品种全,价格优,质量有保证!

用户关注最多的SKF轴承型号

SKF22211CCK/W33+H311 SKF3207A-2RS1 SKF350980C SKF7314BEGAP* SKFBTM60B/HCP4CDBA SKFC7015FB/P7 SKFCR13569 SKFCR22610 SKFCR408000 SKFCR430x490x25HDS1R SKFFYC50FM SKFFYT55TF/VA201 SKFNCF3028CV SKFNU310ECP SKFSI50TXE-2LS

7320BEY角接触球轴承近似的SKF轴承型号

SKF7320BEP SKF2x7320BECBM* SKF7320BEGAM* SKF7320BEP SKF7320BECBY SKF7320BEGBY SKF2x7320BEGBY SKF7320B/DB SKF7320BEY SKF7320BEM SKF7320BEP SKF7321B

用户关注最多的轴承狗热门型号

MRC  7305AC/DF INA  RUE55-E-HL MRC  7209B/DT MRC  6022N MRC  6032 FAG  SNV200-L + 222SM100-TVPA + TCV522 LYC  LR 306/33.02/YB STEYR  608-Z NTN  51215 RHP  NU2318 RHP  3202 KOYO  1218K+H218 TIMKEN  99550/99101D+X8S-99550 KOYO  2310K STEYR  6314

版权所有©2009-2015 轴承狗zcgou.com ICP备案:津ICP备14004550号-13