SKF7320BEGAP*轴承详细参数

发布时间:2026-04-14
角接触球轴承, 单列
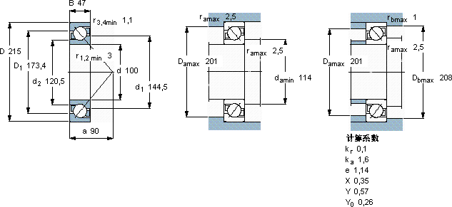
主要数据尺寸 尺寸 [英寸] 疲劳负荷限值 额定速度 体积 型号
动态 静态 参照速度 限制速度
d D B C C0 Pu * - SKF Explorer 轴承
mm kN kN r/min kg -
100215472162086,95400040007,177320 BEGAP *

SKF7320BEGAP*角接触球轴承供应商

八零动力专业销售7320BEGAP*角接触球轴承,库存SKF7320BEGAP*大量现货,与SKF合作,咨询热线:022-58519723业务咨询
SKF7320BEGAP*它的材质选择,体现了对耐用性的极致追求 它的耐用性,赢得了无数用户的信赖 引领行业速度,我们的轴承始终稳如磐石制造工艺精湛,使得这款轴承的精度、稳定性和耐用性都非常出色质量无可挑剔的轴承,为设备的高效运作提供了有力支持高精度低摩擦,八零动力SKF角接触球轴承品种全,价格优,质量有保证!

用户关注最多的SKF轴承型号

SKF231/710CAK/W33+AOH31/710 SKF51122 SKF6202-RZ SKF7203AC/DT SKFBC3B319809 SKFCR125X150X12HMSA10RG SKFCR32X72X7HMS5V SKFCRMVR1-65 SKFFSYE3.15/16 SKFNU216ECJ* SKFPCM303425B SKFRNA4913 SKFSAFC2317 SKFSNL3196LTURT SKFSY1.3/4TF/AH

7320BEGAP*角接触球轴承近似的SKF轴承型号

SKF7320BECBM* SKF7320BEY SKF7320B/DF SKF7320BECBP* SKF2x7320BECBM* SKF7320B/DB SKF2x7320BEGBY SKF7320BEGAM* SKF7320BECCM* SKF7320BECBY SKF7320BEGAM* SKF7320BEGBY

用户关注最多的轴承狗热门型号

SKF  23236CCK/W33 SKF  VJ-PDPF2218 INA  RWS1808-300/x300/x106 LYC  6204 E-RZ/Z1 国产  6309-2RS1 NTN  618/8 FAFNIR  7226AC SKF  MB2A SKF  7311BECBY LYC  JL 69349/JL69310 NACHI  6956 KOYO  3218 STEYR  16021 SYEYR  NU2306E IKO  CF10VBUURM

版权所有©2009-2015 轴承狗zcgou.com ICP备案:津ICP备14004550号-13