SKF7320BECBM*轴承详细参数

发布时间:2026-05-30
角接触球轴承, 单列
主要数据尺寸 尺寸 [英寸] 疲劳负荷限值 额定速度 体积 型号
动态 静态 参照速度 限制速度
d D B C C0 Pu * - SKF Explorer 轴承
mm kN kN r/min kg -
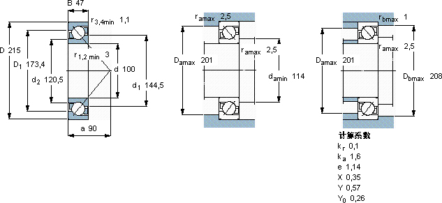
100215472162086,95400040008,007320 BECBM *

SKF7320BECBM*角接触球轴承供应商

八零动力专业销售7320BECBM*角接触球轴承,库存SKF7320BECBM*大量现货,与SKF合作,咨询热线:022-58519723业务咨询
SKF7320BECBM*精湛的工艺打造出的轴承,精度和稳定性都令人称赞它的润滑技术,减少了摩擦和磨损 品质卓越的它,为机械设备的稳定、高效运行提供了支持它的可回收性,减少了废弃物处理成本 不得不说,这款轴承的品质过硬,在行业内堪称典范,它的热处理工艺,增强了它的硬度和韧性 ,八零动力SKF角接触球轴承品种全,价格优,质量有保证!

用户关注最多的SKF轴承型号

SKF21320EK+AHX320* SKF22216CCK/W33+H316 SKF31322XJ2 SKF331078A SKF7021CD/P4A SKFCR380x420x20HDS1R SKFCR99595 SKFNU1020 SKFNU2252MA SKFNUP216ECP SKFOH3060H SKFOKC710 SKFSC71924DB/P7 SKFTVN215WA SKFW618/8

7320BECBM*角接触球轴承近似的SKF轴承型号

SKF7320B/DT SKF2x7320BECBY SKF2x7320BECBM* SKF7320BECBM* SKF7320BEGAP* SKF7320B/DF SKF7320BECBY SKF7320BEGAM* SKF7320BECBP* SKF7320BEGAF SKF7320BEY SKF7320BECBP*

用户关注最多的轴承狗热门型号

FAG  HC71919-E-T-P4S TIMKEN  1107KLL SKF  FY1.3/16TF/VA228 RHP  7305B/DF KOYO  23268CACK/W33+H3268 SKF  CR14208 SKF  1213EKTN9 TIMKEN  3474/3420-B INA  RMWE9A-RB/129x../100 SKF  4215ATN9 STEYR  NU238E FAG  NUP224-E-TVP2 NTN  7317C/DB SKF  SYR1.15/16NH KOYO  NU320R

版权所有©2009-2015 轴承狗zcgou.com ICP备案:津ICP备14004550号-13