SKF7316BECBM*轴承详细参数

发布时间:2026-05-30
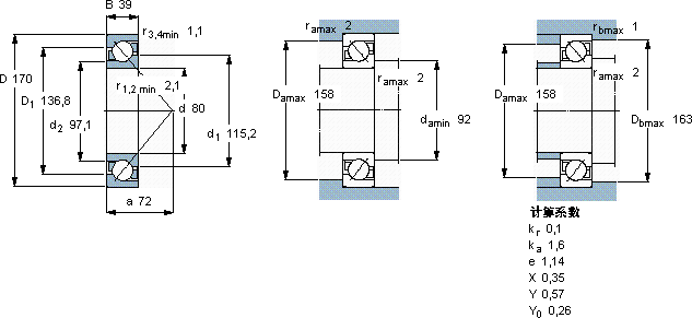
角接触球轴承, 单列
主要数据尺寸 尺寸 [英寸] 疲劳负荷限值 额定速度 体积 型号
动态 静态 参照速度 限制速度
d D B C C0 Pu * - SKF Explorer 轴承
mm kN kN r/min kg -
80170391431184,5500050004,037316 BECBM *

SKF7316BECBM*角接触球轴承供应商

八零动力专业销售7316BECBM*角接触球轴承,库存SKF7316BECBM*大量现货,与SKF合作,咨询热线:022-58519723业务咨询
SKF7316BECBM*它机械世界的心脏,默默支撑着无数设备的运转 它的抗冲击性能,让它经得起各种考验 就是选择高效与可靠它的质量过硬,为机械设备的高效、安全、稳定运行 精准运转先进的制造技术和严格的质量检测,造就了这款优质轴承,八零动力SKF角接触球轴承品种全,价格优,质量有保证!

用户关注最多的SKF轴承型号

SKF6000-2RSH* SKF62208-2RS1 SKF7013ACE/HCP4A SKF87737/87111 SKFBC2-8014 SKFBT2B332662/HB1 SKFCR546966 SKFFY1.15/16TF/VA228 SKFFYC55FM SKFNJ318ECML* SKFOKCX300 SKFS7016ACD/HCP4A SKFS71919CD/HCP4A SKFSILA40ES-2RS SKFSNW20x3.3/8

7316BECBM*角接触球轴承近似的SKF轴承型号

SKF7316BECBM SKF7316BEM SKF7316BEY SKF7316BEY SKF2x7316BEGAY SKF2x7316BECBY SKF7316BEGAM* SKF7316BECBM* SKF2x7316BECBJ SKF7316BEGAP* SKF7316BECBJ SKF7316BECBP*

用户关注最多的轴承狗热门型号

FAG  HC71900-E-T-P4S FLT  NU2240E INA  IR95X110X35 SKF  CR30X52X8HMSA10V LYC  HM 133444/07 FAG  QJ228-N2-MPA INA  HFL1626 FAG  3814-B-2RSR-TVH ZKL  32020 SNR  32215 SKF  CR140X170X15HMS5V NSK  54309 NTN  6302-2RZ IKO  GBRI608432 IKO  NAU4902

版权所有©2009-2015 轴承狗zcgou.com ICP备案:津ICP备14004550号-13