SKF7316BECBP*轴承详细参数

发布时间:2026-05-30
角接触球轴承, 单列
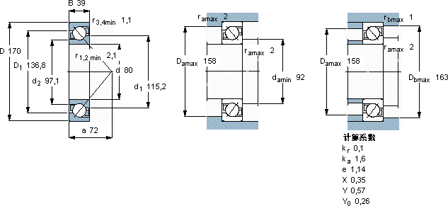
主要数据尺寸 尺寸 [英寸] 疲劳负荷限值 额定速度 体积 型号
动态 静态 参照速度 限制速度
d D B C C0 Pu * - SKF Explorer 轴承
mm kN kN r/min kg -
80170391431184,5500050003,647316 BECBP *

SKF7316BECBP*角接触球轴承供应商

八零动力专业销售7316BECBP*角接触球轴承,库存SKF7316BECBP*大量现货,与SKF合作,咨询热线:022-58519723业务咨询
SKF7316BECBP*它的低噪音设计,减少了对环境的噪音污染 它的旋转精度,让高速运转成为现实 它的轻量化设计,减少了材料的使用 卓越的设计和可靠的性能,是这款轴承的两大亮点它的每一次转动,都是对效率的极致追求 为设备的精确运行提供了保障,该轴承的精度控制精准,为设备的精确运行提供了保障,八零动力SKF角接触球轴承品种全,价格优,质量有保证!

用户关注最多的SKF轴承型号

SKF4312ATN9 SKF7206CD/P4A SKF7216CD/P4A SKFBSA208CG SKFBT1-8003/HA1 SKFC2213KTN9+H313E* SKFCR28X47X10HMS5RG SKFCR62X80X10HMSA10V SKFFBSA208/QFC SKFNNU4992BK/SPW33 SKFOKCX250 SKFPWTR3580.2RS SKFQJ324N2MA* SKFS7014CD/HCP4A SKFSYNT100FW

7316BECBP*角接触球轴承近似的SKF轴承型号

SKF7316BECBM* SKF7316BEY SKF2x7316BEGAP* SKF7316BEP SKF7316BEY SKF7316BEGAM* SKF7316B SKF2x7316BECCM* SKF7316BECBP* SKF7316BEGAY SKF7316BECBM* SKF7316BECBY

用户关注最多的轴承狗热门型号

NACHI  22208EX SNFA  71901C LYC  22234 K/W33 LYC  3706/600/YB2 INA  HK4520-2RS SKF  PWTR1542.2RS SKF  30215J2/Q SKF  NNCF5034CV NACHI  51330 TIMKEN  HM911245/HM911210-B SKF  53217U INA  NK22/16 NTN  7920DF NSK  7012ADF KOYO  22244RHA

版权所有©2009-2015 轴承狗zcgou.com ICP备案:津ICP备14004550号-13