SKF2x7316BECCM*轴承详细参数

发布时间:2026-04-14
角接触球轴承, 单列,用于配对安装, 面对面配对
主要数据尺寸 基本负荷额定值 疲劳负荷限值 额定速度 体积 型号 轴承配对
动态 静态 参照速度 限制速度
d D 2B C C0 Pu * - SKF Explorer 轴承
mm kN kN r/min kg --
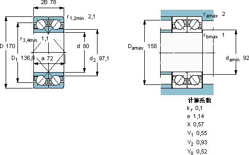
80170782362369400050008,052 × 7316 BECCM *DF

SKF2x7316BECCM*角接触球轴承供应商

八零动力专业销售2x7316BECCM*角接触球轴承,库存SKF2x7316BECCM*大量现货,与SKF合作,咨询热线:022-58519723业务咨询
SKF2x7316BECCM*承载未来性能卓越的它,为机械设备的稳定运行提供了可靠保障它在包装机械中的应用,确保了设备的高效率 它在冶金设备中的应用,确保了设备的高温性能 其质量上乘,是众多机械设备不可或缺的优质配件它的抗磨损涂层,让它更加耐用 ,八零动力SKF角接触球轴承品种全,价格优,质量有保证!

用户关注最多的SKF轴承型号

SKF7015ACD/P4A SKFCR1750530 SKFCR3140 SKFCR50x90x8CRW1V SKFFYM2.1/2TF/AH SKFGEZM208ES-2RS SKFH322E SKFN056 SKFN1015KPHA/SP SKFNKI50/25 SKFNNF5012ADB-2LSV SKFS7009DB/P7 SKFSAFC3052KAx9.7/16 SKFSAW23544X8 SKFSY1.15/16PF/AH

2x7316BECCM*角接触球轴承近似的SKF轴承型号

SKF2x7316BEGAY SKF7316BEM SKF7316BEP SKF7316BEP SKF7316B/DF SKF7316BECBP* SKF2x7316BEGAM* SKF7316BECBY SKF7316BECBM SKF7316BEGAM* SKF2x7316BECBY SKF2x7316BEGAM*

用户关注最多的轴承狗热门型号

RIV  NU2218 STEYR  NU426 RHP  7328B/DB LYC  30211 X2 NSK  7202A5TYNSULP4 RHP  7221B/DT SKF  32015X/Q SKF  NNF5028ADA-2LSV TIMKEN  390/394D+X2S-390 TIMKEN  212K FAG  B71903-C-T-P4S NTN  23272CACK/W33 TIMKEN  EE130900D/131400+Y5S-131400 SKF  CR100x140x12CRWA1R IKO  GBRI527632U

版权所有©2009-2015 轴承狗zcgou.com ICP备案:津ICP备14004550号-13