SKF7316BEM轴承详细参数

发布时间:2026-04-15
角接触球轴承, 单列
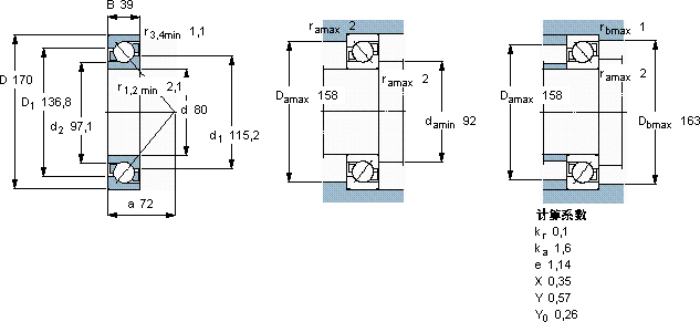
主要数据尺寸 尺寸 [英寸] 疲劳负荷限值 额定速度 体积 型号
动态 静态 参照速度 限制速度
d D B C C0 Pu
mm kN kN r/min kg -
80170391351104,15450048004,037316 BEM

SKF7316BEM角接触球轴承供应商

八零动力专业销售7316BEM角接触球轴承,库存SKF7316BEM大量现货,与SKF合作,咨询热线:022-58519723业务咨询
SKF7316BEM质量无可挑剔的轴承,为设备的高效运作提供了有力支持它的低摩擦设计,减少了能量损耗 精密与耐用的完美结合,质量无可比拟的轴承,在行业内树立了良好的品质标杆这款轴承的运转平稳,几乎听不到任何噪音,令人惊艳它的耐腐蚀性,减少了维护成本 ,八零动力SKF角接触球轴承品种全,价格优,质量有保证!

用户关注最多的SKF轴承型号

SKF1307EKTN9+H307 SKF230/530CAK/W33+AOH30/530* SKF811/710M SKFBK3012 SKFBTM120B/P4CDBA SKFCR1038140 SKFCR15176 SKFCR1550160 SKFCR404003 SKFCR70X110X12HMSA10V SKFNNC4964CV SKFNU210ECP SKFS7019CD/HCP4A SKFSYNT50LW SKFW6203-2RS1

7316BEM角接触球轴承近似的SKF轴承型号

SKF2x7316BECCM* SKF7316B SKF7316BEGAM* SKF7316B/DT SKF7316BECCM* SKF7316BEM SKF7316BEP SKF7316BEY SKF2x7316BECBY SKF7316BEP SKF7316BEGBY SKF7316BEP

用户关注最多的轴承狗热门型号

国产  6236 TIMKEN  3981/3920-B FAG  SNV280-L + 22326-E1-K + H2326X412 + FSV526X412 SKF  NJ203E LYC  132.50.3550.03 MRC  7230B/DT SKF  CR30X42X8HMSA10RG SKF  NNF5020ADB-2LSV BARDEN  7019AC/DB LYC  7207 AC/P5 SKF  22214EK* GMN  7216C/DF NTN  6309NR IKO  GS200265 IKO  LM81517UU

版权所有©2009-2015 轴承狗zcgou.com ICP备案:津ICP备14004550号-13