SKF7316BECBY轴承详细参数

发布时间:2026-04-15
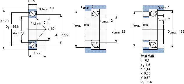
角接触球轴承, 单列
主要数据尺寸 尺寸 [英寸] 疲劳负荷限值 额定速度 体积 型号
动态 静态 参照速度 限制速度
d D B C C0 Pu
mm kN kN r/min kg -
80170391431184,5450045003,707316 BECBY

SKF7316BECBY角接触球轴承供应商

八零动力专业销售7316BECBY角接触球轴承,库存SKF7316BECBY大量现货,与SKF合作,咨询热线:022-58519723业务咨询
SKF7316BECBY它机械世界的心脏,默默支撑着无数设备的运转 它在轨道交通中的应用,确保了列车的安全运行 其质量上乘,是众多机械设备不可或缺的优质配件设计合理、性能优良的轴承,是机械设备的理想之选坚固耐用这轴承的设计精妙,充分考虑了各种实际应用需求,八零动力SKF角接触球轴承品种全,价格优,质量有保证!

用户关注最多的SKF轴承型号

SKF23176CAK/W33+AOH3176G* SKF241/560ECK30J/W33* SKF3205ATN9 SKF3307DJ1 SKF3311ATN9* SKF607/8-Z* SKF7226C/DB SKFCR44X65X10HMS5RG SKFGE70TXG3A-2LS SKFH311E SKFKD10-805 SKFNA6911 SKFNUP310ECML* SKFOKC200 SKFOKC620

7316BECBY角接触球轴承近似的SKF轴承型号

SKF7316BEM SKF2x7316BEGAM* SKF2x7316BEGAY SKF7316BECBM* SKF7316BECBY SKF2x7316BECCM* SKF7316BEGAP* SKF7316BEP SKF7316B SKF7316B/DT SKF7316BECBP* SKF7316BECCM*

用户关注最多的轴承狗热门型号

FAG  BND3180-H-W-T-AF-S SKF  N222E STEYR  NJ206 NTN  NUP2210E SKF  23248CCK/W33+AOH2348* FAG  SNV160-L + 22315-E1-K + H2315 + TSV615 NACHI  7203CDT NSK  7026ATYNDBLP4 TIMKEN  99587 /99100-B SKF  SDAF22634x5.7/8 NSK  24172CAE4 TIMKEN  GC1103KRRB3 TIMKEN  99575/99102CD/X4S-99575 INA  SL182928 FYH  UCFLU319

版权所有©2009-2015 轴承狗zcgou.com ICP备案:津ICP备14004550号-13