SKF7312BEP轴承详细参数

发布时间:2026-04-14
角接触球轴承, 单列
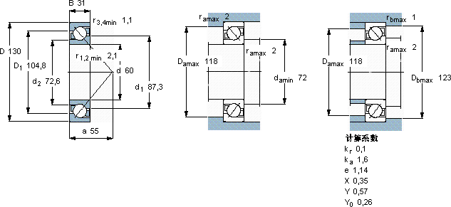
主要数据尺寸 尺寸 [英寸] 疲劳负荷限值 额定速度 体积 型号
动态 静态 参照速度 限制速度
d D B C C0 Pu
mm kN kN r/min kg -
601303195,669,53600060001,717312 BEP

SKF7312BEP角接触球轴承供应商

八零动力专业销售7312BEP角接触球轴承,库存SKF7312BEP大量现货,与SKF合作,咨询热线:022-58519723业务咨询
SKF7312BEP是您机械世界里的不败功臣,它的抗震性能,确保了它在振动环境下的可靠性 质量上乘的轴承,为设备的高效稳定运行奠定了基础轴承的耐用性出色,能够长时间保持良好的工作状态轴承的稳定性和可靠性表现出色,赢得了用户的高度认可它的材质选择,体现了对耐用性的极致追求 ,八零动力SKF角接触球轴承品种全,价格优,质量有保证!

用户关注最多的SKF轴承型号

SKF23284CAC/W33 SKF32007J2/Q SKF618/670 SKF61909 SKF6317/C3VL0241 SKF7000ACD/P4A SKF71801ACD/P4 SKF71920ACE/HCP4A SKFC2228K* SKFCR266x310x20HS8R SKFCR415500 SKFCR524214 SKFCR58X90X13CRSH13R SKFNU1884MA SKFNU338ECM

7312BEP角接触球轴承近似的SKF轴承型号

SKF7312BECAP* SKF2x7312BEGAP* SKF7312BECBM* SKF2x7312BECAP* SKF7312BEM SKF7312BEGBP* SKF7312B SKF7312BECBY SKF7312BEM SKF7312BECBJ SKF7312BEM SKF7312BEY

用户关注最多的轴承狗热门型号

国产  N208 SKF  SDAF22544x7.13/16 BARDEN  7202AC/DB GMN  7040AC/DB NTN  7915 FAG  SNV130-L + 21312-E1-K + H312 + DH612 TIMKEN  LL481448/LL481411 NTN  61818-Z STEYR  1206K NSK  7305BYG SNR  60/32 LYC  NU 411 M/C4 国产  62313-RS SKF  CR42X67X10HMSA10RG IKO  CRBS1208VUU

版权所有©2009-2015 轴承狗zcgou.com ICP备案:津ICP备14004550号-13