SKF7312BEM轴承详细参数

发布时间:2026-04-14
角接触球轴承, 单列
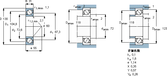
主要数据尺寸 尺寸 [英寸] 疲劳负荷限值 额定速度 体积 型号
动态 静态 参照速度 限制速度
d D B C C0 Pu
mm kN kN r/min kg -
601303195,669,53600063001,887312 BEM

SKF7312BEM角接触球轴承供应商

八零动力专业销售7312BEM角接触球轴承,库存SKF7312BEM大量现货,与SKF合作,咨询热线:022-58519723业务咨询
SKF7312BEM它的精密设计,展现了人类智慧的巅峰 让您的机械如虎添翼,承载重载历经岁月卓越的设计理念,赋予了这款轴承超凡的性能畅享稳定顺滑的旋转之旅,它的每一次转动,都是对精准度的极致追求 ,八零动力SKF角接触球轴承品种全,价格优,质量有保证!

用户关注最多的SKF轴承型号

SKF1308EKTN9 SKF21319EK+AHX319* SKF22214CCK/W33 SKF22312CC/W33 SKF23044-2CS5K/VT143* SKF23156-2CS5/VT143* SKF7240AC/DB SKFCR21267 SKFCR38X62X7HMSA10RG SKFCR50195 SKFN215E SKFPCM030403E/VB055 SKFRLS7 SKFS71916FB/P7 SKFSAF22509x1.3/8

7312BEM角接触球轴承近似的SKF轴承型号

SKF2x7312BEGBP* SKF7312BECBY SKF2x7312BECBM* SKF2x7312BEGBM* SKF2x7312BEGAY SKF2x7312BEGBY SKF7312BEGAP* SKF7312BECBM SKF7312BECBM* SKF2x7312BEGAM* SKF7312BEGBY SKF7312BEP

用户关注最多的轴承狗热门型号

SKF  SAFC3056KAx10 GMN  71908C/DT SKF  CR75X105X10HMSA10RG SKF  C3064M* INA  KGSNO40-PP-AS NTN  61903-2Z NSK  NUP2304 国产  16032 KOYO  54315 LYC  240/600 CA/W33 FAG  3307-B-2Z-TVH NTN  30210 GMN  7204C TIMKEN  74537/74850-B IKO  CRWU145-510R

版权所有©2009-2015 轴承狗zcgou.com ICP备案:津ICP备14004550号-13