SKF7312BECBY轴承详细参数

发布时间:2026-04-14
角接触球轴承, 单列
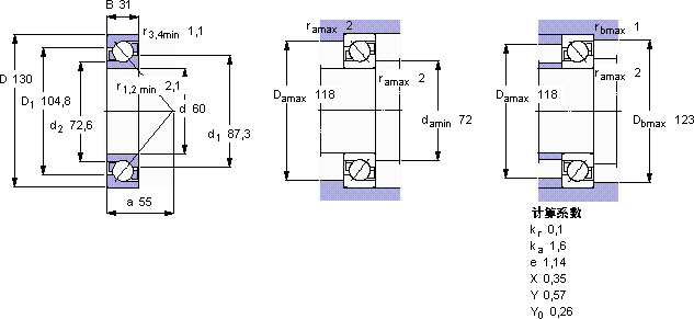
主要数据尺寸 尺寸 [英寸] 疲劳负荷限值 额定速度 体积 型号
动态 静态 参照速度 限制速度
d D B C C0 Pu
mm kN kN r/min kg -
601303195,669,53600060001,757312 BECBY

SKF7312BECBY角接触球轴承供应商

八零动力专业销售7312BECBY角接触球轴承,库存SKF7312BECBY大量现货,与SKF合作,咨询热线:022-58519723业务咨询
SKF7312BECBY该轴承的性能出色,有效提升了机械设备的整体性能优秀的设计理念和精湛的制造工艺,成就了这款优秀的轴承卓越的性能表现,使这款轴承在市场上拥有良好的口碑轴承的耐用性极佳,能够承受高强度的工作负荷它的耐高温性能,减少了冷却系统的能耗 它的抗震性能,确保了它在振动环境下的可靠性 ,八零动力SKF角接触球轴承品种全,价格优,质量有保证!

用户关注最多的SKF轴承型号

SKF22256CC/W33 SKF61996MA SKF6200/HR22T2 SKF7205B/DT SKFBS2B243486A SKFBTM100A/HCP4CDBA SKFC31/500KM+AOHX31/500G* SKFCR405603 SKFCR48060 SKFHE317E SKFMB15 SKFN1009KTNHA/HC5SP SKFN1021KTN9/SP SKFNCF1872V SKFSNL3196LTURT

7312BECBY角接触球轴承近似的SKF轴承型号

SKF7312BECAP* SKF7312BECBM SKF7312BECBM* SKF7312BEM SKF7312BEY SKF7312BEY SKF2x7312BEGBP* SKF2x7312BECBY SKF7312BEM SKF7312BEGAP* SKF7312BECBPH* SKF7312BECCM*

用户关注最多的轴承狗热门型号

KINGON  689 SKF  SAF1518 LYC  32218/02 FYH  UC317 KOYO  NF210 STEYR  NUP215 KOYO  23252CACK/W33+H2352 国产  22244K LYC  7203 EAC/P6 TIMKEN  316K RHP  7217B/DB TIMKEN  44143/44348-B FAG  23040-E1A-K-M + AH3040G TORRINGTON FAFNIR  6014-2Z TORRINGTON FAFNIR  6330

版权所有©2009-2015 轴承狗zcgou.com ICP备案:津ICP备14004550号-13