SKF7306BECBY轴承详细参数

发布时间:2026-04-15
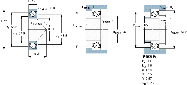
角接触球轴承, 单列
主要数据尺寸 尺寸 [英寸] 疲劳负荷限值 额定速度 体积 型号
动态 静态 参照速度 限制速度
d D B C C0 Pu
mm kN kN r/min kg -
30721934,521,20,912000120000,377306 BECBY

SKF7306BECBY角接触球轴承供应商

八零动力专业销售7306BECBY角接触球轴承,库存SKF7306BECBY大量现货,与SKF合作,咨询热线:022-58519723业务咨询
SKF7306BECBY它的设计巧妙,在保证性能的同时,还兼顾了安装的便捷性开启顺畅运行新时代,为您的机械注入强大动力,它的静音设计,让机械运转如丝般顺滑 它的精密制造工艺,让人叹为观止 它的抗疲劳性能,确保了长期使用的可靠性 ,八零动力SKF角接触球轴承品种全,价格优,质量有保证!

用户关注最多的SKF轴承型号

SKF2206E-2RS1KTN9 SKF6080M SKFCR20X52X7HMSA10V SKFCR300x340x18.01HDS1V SKFCR404853 SKFEE649240/649310 SKFHA318 SKFHMV43E SKFK265x280x50 SKFNCF3006CV SKFNNU41/500K30M/W33 SKFNU2096ECMA SKFNU407 SKFSALA70ES-2RS SKFW619/9

7306BECBY角接触球轴承近似的SKF轴承型号

SKF2x7306BEGBM* SKF7306BECBY SKF7306B/DF SKF2x7306BEGBP* SKF2x7306BEGAM* SKF7306BEGBP* SKF2x7306BECBP* SKF7306BECBY SKF7306BECBM* SKF2x7306BEGAP* SKF7306BECBP* SKF7306BEGAM*

用户关注最多的轴承狗热门型号

STEYR  625 TIMKEN  783/774D/X3S-783 SKF  SAF22628x4.13/16 SKF  CR8748 SKF  23148-2CS5K/VT143* FAG  231SM260-MA KOYO  22238RHAK+AH2238 FAG  SNV140-L + 20216-K-TVP-C3 + H216X214 + TCV516X214 SKF  W63800-2ZR 国产  NA153312 INA  GE6-PB 国产  7211CTA NSK  7304A TIMKEN  EE649240/649310 LYC  NN 3016 K/P6

版权所有©2009-2015 轴承狗zcgou.com ICP备案:津ICP备14004550号-13