SKF7306BEGAM*轴承详细参数

发布时间:2026-05-29
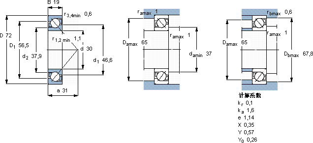
角接触球轴承, 单列
主要数据尺寸 尺寸 [英寸] 疲劳负荷限值 额定速度 体积 型号
动态 静态 参照速度 限制速度
d D B C C0 Pu * - SKF Explorer 轴承
mm kN kN r/min kg -
30721935,521,20,913000130000,377306 BEGAM *

SKF7306BEGAM*角接触球轴承供应商

八零动力专业销售7306BEGAM*角接触球轴承,库存SKF7306BEGAM*大量现货,与SKF合作,咨询热线:022-58519723业务咨询
SKF7306BEGAM*这轴承的设计巧妙,充分考虑了设备的运行需求和维护便利性轴承的稳定性和可靠性表现卓越,赢得了广泛赞誉这轴承的稳定性极佳,在高速运转时也能保持良好状态承载重载历经岁月它的尺寸一致性,让批量生产成为可能 坚固的结构稳定的性能,八零动力SKF角接触球轴承品种全,价格优,质量有保证!

用户关注最多的SKF轴承型号

SKF16014* SKF316189 SKF6311-2Z* SKF71909CE/P4A SKF7209BEGBY SKFAHX3124/110 SKFCR13906 SKFCR15779 SKFCR25X40X5HMSA10V SKFHK2816 SKFN309ECP* SKFNA6910 SKFNU334ECM SKFPCM252830B SKFSAA45TXE-2LS

7306BEGAM*角接触球轴承近似的SKF轴承型号

SKF2x7306BECBP* SKF7306BEGAP* SKF2x7306BEGBM* SKF7306BEP SKF7306BEGAM* SKF7306B/DF SKF7306BECBY SKF7306BEY SKF7306BEGBP* SKF7306BEP SKF7306BECBY SKF7306BEGAP*

用户关注最多的轴承狗热门型号

SKF  CR110x130x12CRW1R TIMKEN  NJ303E.TVP NSK  24080CAMK30E4 SKF  CR170X200X15HMSA10RG TORRINGTON  22314CC/W33 SKF  SAF23032KAx5.1/2 SKF  PFD40TR FAG  23124-E1-K-TVPB + H3124 FAG  BND2252-H-C-T-BL-S SKF  CR16667 SKF  CR31261 LYC  1797/2500K3 国产  6210/MT SKF  SNW128x4.7/16 FAG  SNV120-L + 22213-E1-K + H313X204 + TCV513X204

版权所有©2009-2015 轴承狗zcgou.com ICP备案:津ICP备14004550号-13