SKF7306BECBP*轴承详细参数

发布时间:2026-04-14
角接触球轴承, 单列
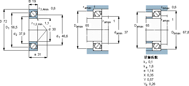
主要数据尺寸 尺寸 [英寸] 疲劳负荷限值 额定速度 体积 型号
动态 静态 参照速度 限制速度
d D B C C0 Pu * - SKF Explorer 轴承
mm kN kN r/min kg -
30721935,521,20,913000130000,337306 BECBP *

SKF7306BECBP*角接触球轴承供应商

八零动力专业销售7306BECBP*角接触球轴承,库存SKF7306BECBP*大量现货,与SKF合作,咨询热线:022-58519723业务咨询
SKF7306BECBP*轴承的精度和稳定性都达到了行业顶尖水平这款轴承的运转十分平稳,几乎感受不到任何震动卓越的设计理念,赋予了这款轴承超凡的性能它的品质卓越,是提升机械设备整体性能的关键所在轴承的稳定性和可靠性表现卓越,赢得了广泛赞誉它的滚动体与沟槽的配合,堪称完美 ,八零动力SKF角接触球轴承品种全,价格优,质量有保证!

用户关注最多的SKF轴承型号

SKF16006* SKF23284CAC/W33 SKF3310A/W64* SKF627/HR22Q2 SKFCR15X40X10HMSA10RG SKFCR22X38X8HMSA10RG SKFFYT1.1/16WF SKFHE320 SKFLM48548A/510/Q SKFN1017KTN9/SP SKFN314E SKFNN3011TN/SP SKFNN3022KTN9/SP SKFNNCL4856CV SKFNUP214ECP

7306BECBP*角接触球轴承近似的SKF轴承型号

SKF2x7306BEGBP* SKF7306BECBP SKF7306BEP SKF7306BEGBM* SKF2x7306BECBY SKF7306B/DT SKF7306B/DF SKF2x7306BECBP* SKF7306BEGBP* SKF7306BECBM* SKF7306BECBM* SKF7306BECBY

用户关注最多的轴承狗热门型号

NSK  7940C FAG  N222-E-TVP2 NSK  7014A SKF  VJ-PDPF2220 KOYO  7024AC/DT FAG  NJ2332-E-M1 NTN  NJ2222 SKF  7330BCBM SKF  4313ATN9 BARDEN  7011AC/DF SKF  CR115x140x12CRW1V INA  KGBO12-PP-AS SKF  CR34336 NSK  UCFL203D1 TIMKEN  HM617048/HM617010

版权所有©2009-2015 轴承狗zcgou.com ICP备案:津ICP备14004550号-13