SKF7306BEY轴承详细参数

发布时间:2026-05-30
角接触球轴承, 单列
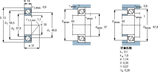
主要数据尺寸 尺寸 [英寸] 疲劳负荷限值 额定速度 体积 型号
动态 静态 参照速度 限制速度
d D B C C0 Pu
mm kN kN r/min kg -
30721934,521,20,912000120000,377306 BEY

SKF7306BEY角接触球轴承供应商

八零动力专业销售7306BEY角接触球轴承,库存SKF7306BEY大量现货,与SKF合作,咨询热线:022-58519723业务咨询
SKF7306BEY轴承的选材精良,确保了其具有良好的耐磨性和抗腐蚀性稳定持久它的抗磨损涂层,让它更加耐用 出色的性能表现,让这款轴承成为行业内的明星产品,它的径向跳动控制,达到了行业顶尖水平 这轴承的设计巧妙,充分考虑了设备的运行需求和维护便利性,八零动力SKF角接触球轴承品种全,价格优,质量有保证!

用户关注最多的SKF轴承型号

SKF1302ETN9 SKF21307CC SKF51106V/HR11Q1 SKF53322 SKF54306 SKF6210/HR11TN SKFCR122555 SKFCR14X30X7HMSA10V SKFFSNL522TURU SKFHME3084 SKFLM742747/710 SKFNJ2212E SKFPCM120125100B SKFSI25ES SKFW6204-2Z

7306BEY角接触球轴承近似的SKF轴承型号

SKF7306B SKF7306B/DF SKF7306BEP SKF2x7306BEGBP* SKF2x7306BEGAM* SKF7306BECBY SKF7306BEP SKF2x7306BEGAP* SKF7306BEGBY SKF7306BEGAP* SKF7306BEP SKF7307B

用户关注最多的轴承狗热门型号

TIMKEN  K85X92X20H FLT  N312 NTN  NJ234E+HJ234E FAG  SNV085-L + 22209-E1-K + H309 + DHV509 LYC  NA 4907 A SKF  248/1120CAK30FA/W20 SKF  CR40X52X6HMS5V LYC  811/530 M/SP YA NACHI  6311N RHP  NF308 NTN  NUP232E SKF  S71909CD/P4A TIMKEN  G1104KRR IKO  BA3216Z IKO  GE100GS

版权所有©2009-2015 轴承狗zcgou.com ICP备案:津ICP备14004550号-13