SKF7306BEP轴承详细参数

发布时间:2026-04-15
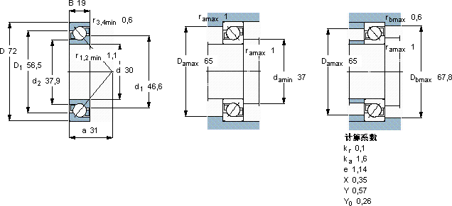
角接触球轴承, 单列
主要数据尺寸 尺寸 [英寸] 疲劳负荷限值 额定速度 体积 型号
动态 静态 参照速度 限制速度
d D B C C0 Pu
mm kN kN r/min kg -
30721932,519,30,81512000120000,337306 BEP

SKF7306BEP角接触球轴承供应商

八零动力专业销售7306BEP角接触球轴承,库存SKF7306BEP大量现货,与SKF合作,咨询热线:022-58519723业务咨询
SKF7306BEP设计合理、性能优良的它,是机械设备实现高效运行的重要保障它的耐用性,让人惊叹不已 零误差起步卓越的性能表现,让这款轴承在市场上脱颖而出它的尺寸精度,达到了微米级的极致 它的滚动体与沟槽的配合,堪称完美 ,八零动力SKF角接触球轴承品种全,价格优,质量有保证!

用户关注最多的SKF轴承型号

SKF2x71972ACGMB SKF6309-2RS SKF7000CD/HCP4A SKFC7010FB/P7 SKFFYRP2-3 SKFHMV66E SKFN2207ECM* SKFNJ218ECM* SKFNJ2305ECP* SKFNNCF5034CV SKFNNU4884/W33 SKFNU1011 SKFPCM100105115M SKFPFD1.3/8TF SKFYAR204-2FW/VA201

7306BEP角接触球轴承近似的SKF轴承型号

SKF7306B/DF SKF2x7306BECBM* SKF7306B/DB SKF2x7306BEGBM* SKF7306B/DT SKF7306B SKF7306BEGAM* SKF2x7306BEGBP* SKF7306BEP SKF7306BECBM* SKF7306BEGBY SKF7306BEY

用户关注最多的轴承狗热门型号

INA  XSI140844-N SKF  SYR3.H-18 LYC  NU 319 M SKF  7044AC/DF INA  KBZ10-PP SNFA  7017C SKF  CR20554 SKF  1317 LYC  NU 2322 EM/C2 SKF  CR35X62X8HMS5V FAG  SNV120-L + 1311-TVH + DH311 NTN  LH-22215EK+AH315 STEYR  7220B/DF KOYO  RF172008A-2 GMN  7234C/DT

版权所有©2009-2015 轴承狗zcgou.com ICP备案:津ICP备14004550号-13