SKF23230-2CS5/VT143*轴承详细参数

发布时间:2026-05-30
球面滚子轴承, 圆柱和圆锥孔, 圆柱型内孔, 两面密封件
主要数据尺寸 基本负荷额定值 疲劳负荷限值 额定速度 体积 型号
动态 静态 参照速度 限制速度
d D B C C0 Pu * - SKF Explorer 轴承
mm kN kN r/min kg -
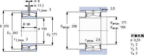
1502709610801460137-43023,323230-2CS5/VT143 *

SKF23230-2CS5/VT143*球面滚子轴承供应商

八零动力专业销售23230-2CS5/VT143*球面滚子轴承,库存SKF23230-2CS5/VT143*大量现货,与SKF合作,咨询热线:022-58519723业务咨询
SKF23230-2CS5/VT143*精准运转它的抗拉强度,让它经得起各种考验 稳定旋转的核心力量它在机器人领域的应用,展现了它的高精密性 它的高效率,让机械运转更加节能 轴承的耐用性极佳,为设备的长期稳定运行提供了保障,八零动力SKF球面滚子轴承品种全,价格优,质量有保证!

用户关注最多的SKF轴承型号

SKF232/710CAK/W33+AOH32/710G SKF30336 SKF3306A-2RS1TN9/MT33* SKF71917FB/P7 SKFBTM90A/P4CDBB SKFCR16270 SKFCR3050785 SKFCR99254 SKFGE30TXG3E-2LS SKFKMFE38 SKFN320ECP SKFPCM10511060M SKFPWM202420 SKFS71921CD/P4A SKFZ307

23230-2CS5/VT143*球面滚子轴承近似的SKF轴承型号

SKF23230-2CS5/VT143* SKF23230-2CS5K/VT143* SKF23230CC/W33* SKF23230CCK/W33+AHX3230G* SKF23230CCK/W33+H2330* SKF23230CCK/W33* SKF23230-2CS5K/VT143* SKF23230CCK/W33

用户关注最多的轴承狗热门型号

GMN  7205C/DT RHP  7311B/DF FAG  SNV240-L + 21322-E1-K-TVPB + H322 + FSV522 TIMKEN  HM70 MRC  7212B LYC  NJ 19/850 FAG  7602100-TVP SKF  NJ221ECN2ML* NTN  6308-2RZ LYC  6060 LYC  NNU 40/600 X2C9/P5 NTN  NJ308 LYC  63/28 EN-2RS TIMKEN  G1108KLL LYC  382152 X2

版权所有©2009-2015 轴承狗zcgou.com ICP备案:津ICP备14004550号-13