SKF7305BECBM*轴承详细参数

发布时间:2026-04-15
角接触球轴承, 单列
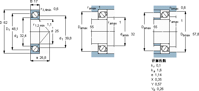
主要数据尺寸 尺寸 [英寸] 疲劳负荷限值 额定速度 体积 型号
动态 静态 参照速度 限制速度
d D B C C0 Pu * - SKF Explorer 轴承
mm kN kN r/min kg -
25621726,515,30,65515000150000,247305 BECBM *

SKF7305BECBM*角接触球轴承供应商

八零动力专业销售7305BECBM*角接触球轴承,库存SKF7305BECBM*大量现货,与SKF合作,咨询热线:022-58519723业务咨询
SKF7305BECBM*轴承的精度极高,使得设备的运行误差被控制在极小范围内轴承的耐用性超乎想象,有效降低了设备的维护成本轴承的选材精良,确保了其具有良好的耐磨性和抗腐蚀性卓越的性能表现,让这款轴承在市场上脱颖而出优秀的设计理念和精湛的制造工艺,成就了这款优秀的轴承它在汽车工业中的应用,让车辆运行更加平稳 ,八零动力SKF角接触球轴承品种全,价格优,质量有保证!

用户关注最多的SKF轴承型号

SKF22356CCK/W33+OH2356H* SKF23220CCK/W33 SKF7014AC SKF71921C SKF7204ACD/HCP4A SKF7204ACD/P4A SKF7303B/DF SKFC4130K30V* SKFCR25X52X8HMS5RG SKFCR4932 SKFFYL1.1/2THR SKFFYRP3.11/16-18 SKFNJ28/1000ECMP/HA1 SKFRNAO15x23x13 SKFSAF22618x3.1/4

7305BECBM*角接触球轴承近似的SKF轴承型号

SKF7305BECBY SKF7305BEY SKF7305BEP SKF7305B/DF SKF7305BECBP* SKF7305B SKF2x7305BEGAP* SKF2x7305BECBY SKF7305BEGBY SKF7305BECBM SKF7305BEY SKF7305BECBP*

用户关注最多的轴承狗热门型号

NTN  23272BK+H3272 FAG  QJ326-N2-MPA 国产  7006C 国产  B7313ACM SKF  7012ACE/P4A 国产  5617/1270/HV SKF  CR30X47X8HMS5V FAG  SNV200-L + 20222-K-MB-C3 + H222X312 + FSV522X312 NSK  HR32213J NACHI  7220BDF KOYO  47T513627A LYC  22332 CA 国产  NJP3224X3Q1/S0 IKO  CRH11VR IKO  CFE20-1BUU

版权所有©2009-2015 轴承狗zcgou.com ICP备案:津ICP备14004550号-13