SKFYAT207-106轴承详细参数

发布时间:2026-05-30
Y-轴承, 带平头螺钉锁定的, YAT 2
主要数据尺寸 基本负荷额定值 疲劳负荷限值 限制速度 体积 型号
动态 静态
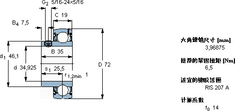
d D B C C C0 Pu 用于轴公差h6
mm kN kN r/min kg -
34,92572351925,515,30,65553000,31YAT 207-106

SKFYAT207-106外球面球轴承Y-轴承供应商

八零动力专业销售YAT207-106外球面球轴承Y-轴承,库存SKFYAT207-106大量现货,与SKF合作,咨询热线:022-58519723业务咨询
SKFYAT207-106质量上乘的轴承,为设备的高效稳定运行奠定了基础旋转不息它的精密设计,展现了人类智慧的巅峰 它的耐磨性能,让它在恶劣环境下依然稳定运行 转动的艺术高精度的制造工艺,造就了这款高品质的轴承,八零动力SKF外球面球轴承Y-轴承品种全,价格优,质量有保证!

用户关注最多的SKF轴承型号

SKF23984CCK/W33* SKF31326XJ2 SKF315515AB SKF353108AU SKF7222CD/P4A SKF7224CD/P4A SKF7305BEGAP* SKFBK2212 SKFBK4520 SKFCR32X45X7HMSA10V SKFCRMVR2-85 SKFFYT2.TF/AH SKFHK2512 SKFYAR206-102-2F/AH SKFZ208F

YAT207-106外球面球轴承Y-轴承近似的SKF轴承型号

SKFYAR207-104-2FW/VA201 SKFYAR207-104-2F/AH SKFYEL207-2RF/VL065 SKFYAR207-104-2RF SKFYAR207-106-2F/AH SKFYAT207-106 SKFYET207 SKFYAR207-2F SKFYAR207-107-2F SKFYEL212-207-2FCW SKFYAT207-104 SKFYAT207-107

用户关注最多的轴承狗热门型号

KOYO  7238C LYC  NU 216 E FAG  SNV090-L + 22308-E1-K + H2308X105 + DH608X105 LYC  6312 E-RS RHP  6201 SKF  CR50172 NSK  53314 STEYR  53203U 国产  N222 TIMKEN  841/834D/X2S-841 INA  GYE45-210-KRR-B SKF  7319BEGAY SKF  M86647/610/Q/QCL7C NTN  7832CDF IKO  CR14VR

版权所有©2009-2015 轴承狗zcgou.com ICP备案:津ICP备14004550号-13