

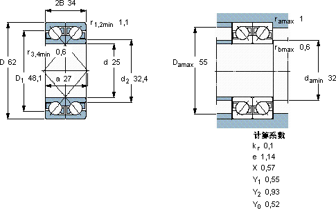
| 角接触球轴承, 单列,用于配对安装, 面对面配对 | |||||||||||
| 主要数据尺寸 | 基本负荷额定值 | 疲劳负荷限值 | 额定速度 | 体积 | 型号 | 轴承配对 | |||||
| 动态 | 静态 | 参照速度 | 限制速度 | ||||||||
| d | D | 2B | C | C0 | Pu | * - SKF Explorer 轴承 | |||||
| mm | kN | kN | r/min | kg | - | - | |||||
| 25 | 62 | 34 | 42,5 | 30,5 | 1,29 | 12000 | 15000 | 0,46 | 2 × 7305 BECBP * | DF | |
版权所有©2009-2015 轴承狗zcgou.com ICP备案:津ICP备14004550号-13