SKF7305BECBP*轴承详细参数

发布时间:2026-04-15
角接触球轴承, 单列
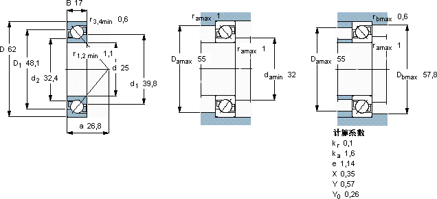
主要数据尺寸 尺寸 [英寸] 疲劳负荷限值 额定速度 体积 型号
动态 静态 参照速度 限制速度
d D B C C0 Pu * - SKF Explorer 轴承
mm kN kN r/min kg -
25621726,515,30,65515000150000,237305 BECBP *

SKF7305BECBP*角接触球轴承供应商

八零动力专业销售7305BECBP*角接触球轴承,库存SKF7305BECBP*大量现货,与SKF合作,咨询热线:022-58519723业务咨询
SKF7305BECBP*这轴承的制造工艺精湛,展现出了极高的工业水准它在建筑机械中的应用,确保了设备的可靠性 它在轨道交通中的应用,确保了列车的安全运行 它的质量可靠,是众多机械设备制造商的首选配件是机械世界的璀璨明星,这轴承的选材讲究,坚固耐用,寿命远超同类产品,八零动力SKF角接触球轴承品种全,价格优,质量有保证!

用户关注最多的SKF轴承型号

SKF21310EK+AHX310* SKF315982 SKF71916CD/HCP4A SKFBTM60A/P4CDBA SKFCR14861 SKFCR155X180X15HMS5RG SKFCR25X38X7HMSA10RG SKFCR39X62X12CRSH11R SKFCR46X65X10HMSA10RG SKFMB56 SKFQJ212 SKFRNA4908.2RS SKFSC71908FB/P7 SKFSNL4084GF SKFSYR1.15/16

7305BECBP*角接触球轴承近似的SKF轴承型号

SKF7305BEP SKF2x7305BECBY SKF7305BECBP* SKF7305BECBM SKF7305BEP SKF2x7305BEGAP* SKF7305BEY SKF2x7305BECBM* SKF7305BECBY SKF7305B/DF SKF7305BECBM* SKF7305BECBY

用户关注最多的轴承狗热门型号

TORRINGTON FAFNIR  6203-Z SKF  FYTBK35TF 国产  23224C/W33 国产  7008CTA SKF  FSYE2.1/2H-3 KOYO  23140RK+AH3140 NSK  7918CTYNSULP4 NTN  6218-2RS NTN  NUP314 NTN  NNU4928 国产  F/15*20*14 BARDEN  7210AC/DB SKF  FNL516A TIMKEN  SAS IKO  NA4938

版权所有©2009-2015 轴承狗zcgou.com ICP备案:津ICP备14004550号-13