SKF7305BEY轴承详细参数

发布时间:2026-04-15
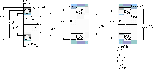
角接触球轴承, 单列
主要数据尺寸 尺寸 [英寸] 疲劳负荷限值 额定速度 体积 型号
动态 静态 参照速度 限制速度
d D B C C0 Pu
mm kN kN r/min kg -
2562172615,60,65514000140000,247305 BEY

SKF7305BEY角接触球轴承供应商

八零动力专业销售7305BEY角接触球轴承,库存SKF7305BEY大量现货,与SKF合作,咨询热线:022-58519723业务咨询
SKF7305BEY它的抗氧化性能,延长了它的使用寿命 它在包装机械中的应用,确保了设备的高效率 其设计和制造工艺都达到了国际先进水平,是一款优质轴承它的精密性,让它在高精度设备中无可替代 这轴承的制造工艺精湛,展现出了极高的工业水准是您值得信赖的工业伙伴,为您的机械保驾护航,八零动力SKF角接触球轴承品种全,价格优,质量有保证!

用户关注最多的SKF轴承型号

SKF21320CCK SKF29438E* SKF2x466896 SKFCR1350250 SKFCR97064 SKFFNL512A SKFFYJ85TF SKFHA2320x3.5/16 SKFN670 SKFNUP236ECMA* SKFP62R-7/8WF SKFS71913ACD/P4A SKFSNL3084GF SKFSY50TR SKFTVN212WA

7305BEY角接触球轴承近似的SKF轴承型号

SKF7305BECBY SKF7305BEY SKF7305BECBM SKF2x7305BECBY SKF7305B/DB SKF7305BECBP* SKF2x7305BEGBY SKF7305BEGAP* SKF7305BECBM* SKF2x7305BEGAP* SKF7305BEP SKF7306B

用户关注最多的轴承狗热门型号

FAG  SNV200-L + 23222-E1-K-TVPB + H2322 + DH522 LYC  23152/W33 NSK  F698DD SKF  NUP324E NSK  6004DDU LYC  241/600 CAK30/C3W33 NTN  N218 LYC  NU 206 EF1 STEYR  1212 SKF  CR400085 LYC  QJ 318 N1/P6S1 SKF  30224J2 INA  WZ1-1/4 IKO  RNA4901UU IKO  IRT1216

版权所有©2009-2015 轴承狗zcgou.com ICP备案:津ICP备14004550号-13