SKF7304BECBY轴承详细参数

发布时间:2026-05-29
角接触球轴承, 单列
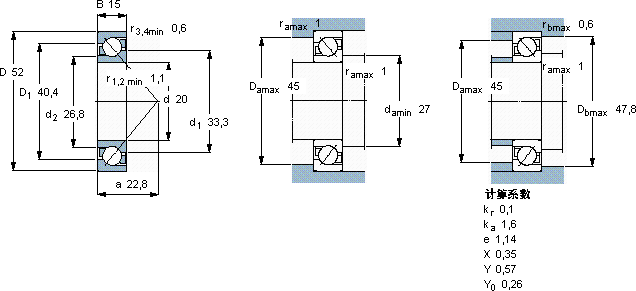
主要数据尺寸 尺寸 [英寸] 疲劳负荷限值 额定速度 体积 型号
动态 静态 参照速度 限制速度
d D B C C0 Pu
mm kN kN r/min kg -
2052151910,40,4416000160000,157304 BECBY

SKF7304BECBY角接触球轴承供应商

八零动力专业销售7304BECBY角接触球轴承,库存SKF7304BECBY大量现货,与SKF合作,咨询热线:022-58519723业务咨询
SKF7304BECBY设计独特、性能优越的轴承,满足了不同用户的需求它的抗变形能力,让它在高负载下依然保持形状 轴承的稳定性和可靠性表现出色,赢得了用户的高度认可不得不说,这款轴承的品质过硬,在行业内堪称典范,它的模块化设计,让安装和更换变得轻松便捷 打造出了性能卓越的这款轴承,该轴承的精度控制达到了极致,八零动力SKF角接触球轴承品种全,价格优,质量有保证!

用户关注最多的SKF轴承型号

SKF21313CC SKF51105 SKF5310A-2RS1* SKF575/572/Q SKF609-Z* SKF7008ACD/HCP4A SKFBT4B328922/HA1 SKFCR15230 SKFCR31250 SKFCR9409 SKFGE220ES SKFGEZM300ES SKFNJ209ECM* SKFNN3018TN9/SP SKFS7028CD/P4A

7304BECBY角接触球轴承近似的SKF轴承型号

SKF7304BEY SKF7304BECBP* SKF7304B/DT SKF7304BECBY SKF7304BEGBP* SKF7304BEP SKF7304BEP SKF7304BEY SKF7304BECBY SKF7304B/DF SKF7304BECBPH* SKF7304BEGAP*

用户关注最多的轴承狗热门型号

SKF  CR100X130X12HMSA10V TIMKEN  6475/6420-B LYC  7213 C/P5 KINGON  685 SKF  CR50X68X7HMS5RG SKF  NKXR30Z SNR  7011AC SKF  71934ACD/P4A BARDEN  7204C/DB NACHI  23216EK KOYO  47T533623B SKF  FYNT65L KOYO  NN3048 LYC  29264 IKO  NA6901U

版权所有©2009-2015 轴承狗zcgou.com ICP备案:津ICP备14004550号-13