SKF7304BEY轴承详细参数

发布时间:2026-04-14
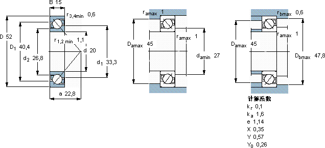
角接触球轴承, 单列
主要数据尺寸 尺寸 [英寸] 疲劳负荷限值 额定速度 体积 型号
动态 静态 参照速度 限制速度
d D B C C0 Pu
mm kN kN r/min kg -
2052151910,40,4416000160000,157304 BEY

SKF7304BEY角接触球轴承供应商

八零动力专业销售7304BEY角接触球轴承,库存SKF7304BEY大量现货,与SKF合作,咨询热线:022-58519723业务咨询
SKF7304BEY它的使用寿命,远超同类产品 品质卓越的它,在各种工况下都能展现出优异的性能匠心制造轴承的耐用性超乎想象,有效降低了设备的维护成本它的材质选择,体现了对耐用性的极致追求 它的抗氧化性能,延长了它的使用寿命 ,八零动力SKF角接触球轴承品种全,价格优,质量有保证!

用户关注最多的SKF轴承型号

SKF23268CAC/W33 SKF239/1060CAF/W33 SKF6213-2RS SKF6216-RS1* SKFCR16679 SKFCR22X40X10HMSA10RG SKFFSYE3.11/16H SKFFYJ75TF SKFFYR2.3/16-3 SKFFYT2.WF SKFLL483448/418 SKFNNU4952BK/SPW33 SKFPCZ3016M SKFSAF22634x5.7/8 SKFSC71914FB/P7

7304BEY角接触球轴承近似的SKF轴承型号

SKF2x7304BEGAP* SKF7304BECBP SKF7304BECBP* SKF7304BECBM* SKF2x7304BECBP* SKF7304BEGBP* SKF7304BECBPH* SKF7304BEP SKF7304BEP SKF7304B/DT SKF7304BEP SKF7305B

用户关注最多的轴承狗热门型号

NACHI  7314BDB INA  GE20-KLL-B FAG  SNV130-L + 22215-E1-K + H315 + TCV515 LYC  7216 ACT/P4 ASAHI  UCK207 RIV  NJ213 国产  352124 SKF  NU2316ECP KINGON  F686 SKF  NU211E NSK  5200 NTN  NU2313E 国产  60001-N IKO  CFES18UU IKO  LWEC30

版权所有©2009-2015 轴承狗zcgou.com ICP备案:津ICP备14004550号-13