SKF7304BEP轴承详细参数

发布时间:2026-04-15
角接触球轴承, 单列
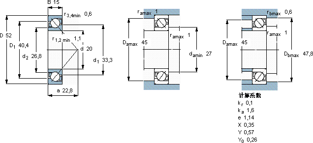
主要数据尺寸 尺寸 [英寸] 疲劳负荷限值 额定速度 体积 型号
动态 静态 参照速度 限制速度
d D B C C0 Pu
mm kN kN r/min kg -
20521517,49,50,416000160000,147304 BEP

SKF7304BEP角接触球轴承供应商

八零动力专业销售7304BEP角接触球轴承,库存SKF7304BEP大量现货,与SKF合作,咨询热线:022-58519723业务咨询
SKF7304BEP引领行业速度,我们的轴承始终稳如磐石它的静音设计,让机械运转如丝般顺滑 轴承的性能可靠,为机械设备的稳定运行立下汗马功劳精密与耐用的完美结合,卓越的设计理念,赋予了这款轴承超凡的性能它的疲劳强度,确保了长期使用的可靠性 ,八零动力SKF角接触球轴承品种全,价格优,质量有保证!

用户关注最多的SKF轴承型号

SKF1319K+H319 SKF81156M SKFBSA215CG SKFCR15440 SKFCR26X34X4HM4R SKFCR82526 SKFCR84263 SKFFSAF1315 SKFFSYE3.7/16N-118 SKFFY35WF SKFM12649/610/Q SKFNNU4984K/W33 SKFS71908DB/P7 SKFSYH1.7/16TF SKFTU1.11/16WF

7304BEP角接触球轴承近似的SKF轴承型号

SKF2x7304BECBM* SKF7304B/DT SKF7304BEP SKF7304BECBP SKF7304BEP SKF7304B SKF7304BECBM* SKF7304BECBPH* SKF7304BECBP* SKF7304BEGBP* SKF7304BEGBP* SKF7304BEY

用户关注最多的轴承狗热门型号

SNR  7009AC/DB SKF  24048CC/W33 FAG  BND3126-H-C-Y-AF-S LYC  9069322 KOYO  7207B/DB NSK  N226 ZKL  7321B/DT SKF  CR14X28X7HMS5RG TIMKEN  NUP2205E.TVP LYC  CF 24 TORRINGTON  24052CACK30/W33 SKF  SYE2.11/16N SKF  YAR208-108-2RF NSK  QJ340 IKO  GS160200

版权所有©2009-2015 轴承狗zcgou.com ICP备案:津ICP备14004550号-13