SKF7304BEGBP*轴承详细参数

发布时间:2026-05-30
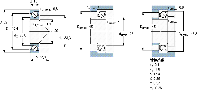
角接触球轴承, 单列
主要数据尺寸 尺寸 [英寸] 疲劳负荷限值 额定速度 体积 型号
动态 静态 参照速度 限制速度
d D B C C0 Pu * - SKF Explorer 轴承
mm kN kN r/min kg -
20521519100,42518000180000,147304 BEGBP *

SKF7304BEGBP*角接触球轴承供应商

八零动力专业销售7304BEGBP*角接触球轴承,库存SKF7304BEGBP*大量现货,与SKF合作,咨询热线:022-58519723业务咨询
SKF7304BEGBP*高精度低摩擦是机械世界的璀璨明星,它的精密性,让它在高精度设备中无可替代 它在冶金设备中的应用,确保了设备的高温性能 该轴承的性能出色,有效提升了机械设备的整体性能轴承的稳定性和可靠性表现卓越,赢得了广泛赞誉,八零动力SKF角接触球轴承品种全,价格优,质量有保证!

用户关注最多的SKF轴承型号

SKF1726307-2RS1 SKF208-2ZNR SKF32960/DF SKF3304A-2Z/MT33* SKF331259 SKF3314A-2Z SKF6208-2RS1* SKF7012ACE/HCP4A SKFCR24989 SKFCR25X37X7HMSA10V SKFCR95048 SKFGEP180FS SKFNNU4948BK/SPW33 SKFSNP3184x15.3/4 SKFSNW3134x6

7304BEGBP*角接触球轴承近似的SKF轴承型号

SKF7304BEP SKF7304BEY SKF7304BEP SKF7304B/DB SKF7304BECBP* SKF7304BECBM SKF7304BEGBP* SKF7304BECBY SKF2x7304BECBM* SKF2x7304BECBPH* SKF7304BEGAP* SKF7304BEP

用户关注最多的轴承狗热门型号

NTN  32956XUE1 -  7305AC RHP  NU214 NTN  7019C/DT FAG  HCB71907-C-2RSD-T-P4S SNR  7212AC/DF STEYR  7221B/DF SKF  PWTR45.2RS TIMKEN  M224749D/M224710 SYEYR  NU2309 SKF  PFT1.5/16TF RHP  7338B/DB NACHI  7016CDT INA  WS81117 SKF  NUP2310E

版权所有©2009-2015 轴承狗zcgou.com ICP备案:津ICP备14004550号-13