SKF7304BECBM*轴承详细参数

发布时间:2026-04-14
角接触球轴承, 单列
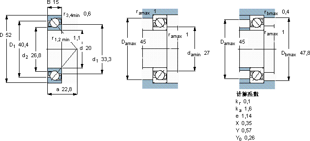
主要数据尺寸 尺寸 [英寸] 疲劳负荷限值 额定速度 体积 型号
动态 静态 参照速度 限制速度
d D B C C0 Pu * - SKF Explorer 轴承
mm kN kN r/min kg -
20521519100,42518000180000,157304 BECBM *

SKF7304BECBM*角接触球轴承供应商

八零动力专业销售7304BECBM*角接触球轴承,库存SKF7304BECBM*大量现货,与SKF合作,咨询热线:022-58519723业务咨询
SKF7304BECBM*它的精密制造工艺,让人叹为观止 它的故障率极低,确保了设备的稳定运行 不得不说,这款轴承的品质过硬,在行业内堪称典范,这轴承的设计精妙,充分考虑了各种实际应用需求高精度的制造工艺,让这款轴承的性能更加出色要设备更出色,八零动力SKF角接触球轴承品种全,价格优,质量有保证!

用户关注最多的SKF轴承型号

SKF2x7408BCBM SKF30230/DFC350 SKF53318U SKFBS2B243125 SKFCR20538 SKFCR35040 SKFCR5500 SKFFBSA209/QBC SKFGEH45ES-2RS SKFMS30/800-750 SKFNU330ECM SKFP25TF SKFPFD15/16FM SKFQJ319N2MA* SKFSAKB16F

7304BECBM*角接触球轴承近似的SKF轴承型号

SKF7304BECBP SKF7304BECBM* SKF2x7304BECBM* SKF2x7304BECBPH* SKF7304BEGBP* SKF7304BECBP* SKF2x7304BECBP* SKF7304BECBM SKF7304BEY SKF7304BECBPH* SKF7304BEY SKF7304BECBP*

用户关注最多的轴承狗热门型号

SKF  NJ324ECP KOYO  53208 TIMKEN  AOH3152 SKF  HK2010 BARDEN  71906C/DB SKF  358109C MRC  N215 LYC  AK30217 NACHI  7338BDF LYC  24072 CA/W33 LYC  1797/2635G2K1 LYC  6208 E-RS MRC  6001-2RS INA  KGBO16-PP-AS IKO  CRBS808AUU

版权所有©2009-2015 轴承狗zcgou.com ICP备案:津ICP备14004550号-13