SKF7304BECBP*轴承详细参数

发布时间:2026-05-29
角接触球轴承, 单列
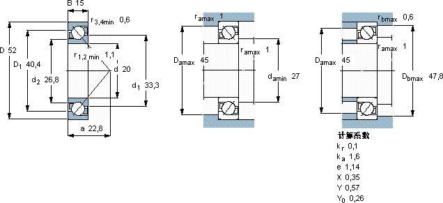
主要数据尺寸 尺寸 [英寸] 疲劳负荷限值 额定速度 体积 型号
动态 静态 参照速度 限制速度
d D B C C0 Pu * - SKF Explorer 轴承
mm kN kN r/min kg -
20521519100,42518000180000,147304 BECBP *

SKF7304BECBP*角接触球轴承供应商

八零动力专业销售7304BECBP*角接触球轴承,库存SKF7304BECBP*大量现货,与SKF合作,咨询热线:022-58519723业务咨询
SKF7304BECBP*为您的机械提供持久动力,它的抗变形能力,让它在高负载下依然保持形状 它的材质选择,体现了对品质的极致追求 这款轴承的运转平稳,几乎听不到任何噪音,令人惊艳它的润滑技术,减少了润滑剂的使用 卓越的设计理念,赋予了这款轴承超凡的性能,八零动力SKF角接触球轴承品种全,价格优,质量有保证!

用户关注最多的SKF轴承型号

SKF21320CC SKF23180CAK/W33+AOH3180G* SKF3307A* SKF608-RZ SKF7207BEY SKFBTM60B/HCP4CDBA SKFCR9818 SKFHM801346X/2/310/QVQ523 SKFIR20x24x20 SKFIR28x32x20 SKFN1016KTN/HC5SP SKFNUP2206ECP SKFP72R-30TF SKFWS81116 SKFYEL205-014-2F

7304BECBP*角接触球轴承近似的SKF轴承型号

SKF7304BEGAP* SKF7304BEGBP* SKF7304BEY SKF7304BECBM SKF2x7304BEGAP* SKF7304B SKF7304BECBPH* SKF7304BEP SKF7304B/DT SKF7304BEY SKF7304BECBM* SKF7304BECBPH*

用户关注最多的轴承狗热门型号

MRC  6008-Z FAG  SNV090-L + 1308-K-TVH-C3 + H308X106 + TCV608 TORRINGTON  22238CC/W33 SKF  CR45X62X7HMSA10RG NTN  61812-RS KOYO  629-Z FAG  22260-MB INA  K16X22X16 FYH  UCFLU204 INA  KUVE25-B..-LMST LYC  LY-Q037 GMN  7321AC/DB SKF  GEZ304ES-2RS NSK  7216CTYNP5 Stieber  NFR25

版权所有©2009-2015 轴承狗zcgou.com ICP备案:津ICP备14004550号-13