SKF7220BECBY轴承详细参数

发布时间:2026-05-31
角接触球轴承, 单列
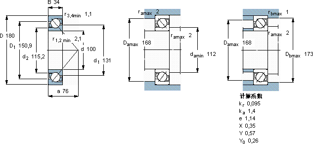
主要数据尺寸 尺寸 [英寸] 疲劳负荷限值 额定速度 体积 型号
动态 静态 参照速度 限制速度
d D B C C0 Pu
mm kN kN r/min kg -
100180341351224,4400040003,387220 BECBY

SKF7220BECBY角接触球轴承供应商

八零动力专业销售7220BECBY角接触球轴承,库存SKF7220BECBY大量现货,与SKF合作,咨询热线:022-58519723业务咨询
SKF7220BECBY这款轴承的性能卓越,有效提升了设备的整体性能和可靠性它的材质选择,体现了对品质的极致追求 该轴承的性能出色,有效提升了机械设备的整体性能让您的机械如虎添翼,它的润滑技术,让摩擦降至最低 它的表面硬化处理,延长了它的使用寿命 ,八零动力SKF角接触球轴承品种全,价格优,质量有保证!

用户关注最多的SKF轴承型号

SKF21317CCK+H317 SKF22324-2CS5K/VT143* SKF2x7308BECBY SKF61904-2RS SKF7022CD/P4A SKF71922C/DF SKFFY45TR SKFNJ215ECM* SKFNN3017KTN9/SP SKFNNU4956B/SPW33 SKFPCM202325E SKFPL68 SKFRPNA28/44 SKFSY2.TF SKFT4DB200

7220BECBY角接触球轴承近似的SKF轴承型号

SKF2x7220BECBM SKF7220AC/DB SKF7220B/DF SKF7220AC/DT SKF7220BEP SKF7220BEP SKF7220BECCM SKF7220B SKF7220BEY SKF2x7220BECBP* SKF7220BECBP* SKF7220BECCM

用户关注最多的轴承狗热门型号

FAG  BND2213-H-C-Y-AL-S NMB  L-630ZZ FAG  SNV100-L + 22309-E1-K + H2309X108 + TCV609X108 KOYO  463/850A NSK  90TAC20X+L NTN  NJ204+HJ204 FAG  HS7022-C-T-P4S NACHI  22313EX LYC  51105 KOYO  NJ304E LYC  NJ 260 LYC  787/4612 NTN  6215NR INA  NA6918-ZW IKO  CRW12-1000

版权所有©2009-2015 轴承狗zcgou.com ICP备案:津ICP备14004550号-13