SKF7220BECBP*轴承详细参数

发布时间:2026-05-31
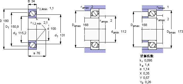
角接触球轴承, 单列
主要数据尺寸 尺寸 [英寸] 疲劳负荷限值 额定速度 体积 型号
动态 静态 参照速度 限制速度
d D B C C0 Pu * - SKF Explorer 轴承
mm kN kN r/min kg -
100180341431344,75450045003,297220 BECBP *

SKF7220BECBP*角接触球轴承供应商

八零动力专业销售7220BECBP*角接触球轴承,库存SKF7220BECBP*大量现货,与SKF合作,咨询热线:022-58519723业务咨询
SKF7220BECBP*该轴承的性能出色,有效提升了机械设备的整体性能轴承的性能可靠,为机械设备的稳定运行立下汗马功劳它的材质选择,体现了对耐用性的极致追求 它的润滑技术,减少了润滑剂的使用 性能优越的轴承,极大地提升了设备的工作性能和效率它在航空航天领域的应用,展现了它的高可靠性 ,八零动力SKF角接触球轴承品种全,价格优,质量有保证!

用户关注最多的SKF轴承型号

SKF241/900ECAF/W33 SKF53416M SKF60/500N1MAS SKF7004CE/P4A SKF7009FB/P7 SKF71907ACD/P4A SKF71919ACD/HCP4A SKFCR1100118 SKFCR520.7x558.8x38.1HDSA2RD SKFCR6762 SKFCR99842 SKFFYTL1.1/2THR SKFN1014KTN/SP SKFNK47/30 SKFSYE2.15/16NH

7220BECBP*角接触球轴承近似的SKF轴承型号

SKF2x7220BECBP* SKF7220AC/DF SKF7220C SKF7220AC/DT SKF7220AC SKF7220C/DT SKF7220BEY SKF7220BECBY SKF7220C/DF SKF7220B/DT SKF7220BECBM SKF7220BECBY

用户关注最多的轴承狗热门型号

SKF  5219A TIMKEN  T138W NTN  NJ2315E FAG  BND3230-H-W-T-BF-S KOYO  47334/181 TIMKEN  210RT91 TORRINGTON  23234CCK/W33+H2334 FAG  BND3060-H-W-T-BL-S TIMKEN  05070XS/05185-S SKF  CR38649 KOYO  23932R SKF  CR57584 NSK  QJ340 LYC  E1792/885G IKO  LM254059FUU

版权所有©2009-2015 轴承狗zcgou.com ICP备案:津ICP备14004550号-13