SKF2x7220BECBY轴承详细参数

发布时间:2026-05-30
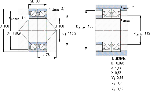
角接触球轴承, 单列,用于配对安装, 背对背配对
主要数据尺寸 基本负荷额定值 疲劳负荷限值 额定速度 体积 型号 轴承配对
动态 静态 参照速度 限制速度
d D 2B C C0 Pu
mm kN kN r/min kg --
100180682212458,8320040006,752 × 7220 BECBYDB

SKF2x7220BECBY角接触球轴承供应商

八零动力专业销售2x7220BECBY角接触球轴承,库存SKF2x7220BECBY大量现货,与SKF合作,咨询热线:022-58519723业务咨询
SKF2x7220BECBY先进的生产工艺,让这款轴承的性能得到了极大提升这款轴承的性能卓越,有效提升了设备的整体性能和可靠性其质量上乘,是众多机械设备不可或缺的优质配件承载重托高精度的制造工艺,造就了这款高品质的轴承它的承载能力,堪称机械界的“大力士” ,八零动力SKF角接触球轴承品种全,价格优,质量有保证!

用户关注最多的SKF轴承型号

SKF21314CCK SKF23128CC/W33 SKF23196CAC/W33 SKF353152 SKF61880MA SKF7015AC/DF SKFCR39304 SKFCR400205 SKFCR50X65X8HMSA10V SKFHE3124 SKFNJ234ECMA* SKFNJ326ECP* SKFNU2211ECP* SKFPCM140145120E SKFTU15/16WF

2x7220BECBY角接触球轴承近似的SKF轴承型号

SKF7220BEP SKF7220C/DF SKF7220B/DT SKF7220BEY SKF7220AC/DB SKF7220B/DB SKF7220AC SKF7220BEP SKF7220BEY SKF7220BECBM SKF2x7220BECBP* SKF2x7220BECCM

用户关注最多的轴承狗热门型号

FAG  SNV150-L + 22217-E1 + DH217 TIMKEN  12FS22-SS SKF  OKBS119 TIMKEN  HH221434/HH221410 SKF  NNCF5005CV NTN  NU1014 TORRINGTON  22240CCK/W33 FLT  NJ230 LYC  22230 CA LYC  FC 4666170/P53YA/02 STEYR  7322B/DF RIV  N2212 SKF  NCF2230V 国产  24134C/W33 IKO  NAST30ZZUU

版权所有©2009-2015 轴承狗zcgou.com ICP备案:津ICP备14004550号-13