SKF7220BEP轴承详细参数

发布时间:2026-05-29
角接触球轴承, 单列
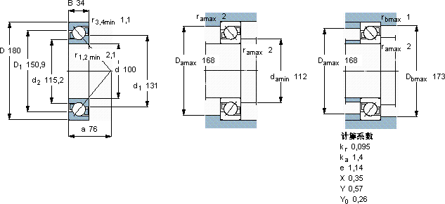
主要数据尺寸 尺寸 [英寸] 疲劳负荷限值 额定速度 体积 型号
动态 静态 参照速度 限制速度
d D B C C0 Pu
mm kN kN r/min kg -
100180341351224,4400040003,297220 BEP

SKF7220BEP角接触球轴承供应商

八零动力专业销售7220BEP角接触球轴承,库存SKF7220BEP大量现货,与SKF合作,咨询热线:022-58519723业务咨询
SKF7220BEP它虽小,却是工业革命的基石 它的长寿命,减少了更换频率 高精度的制造工艺,让这款轴承的性能更加出色它的润滑技术,减少了润滑剂的使用 轴承的稳定性和可靠性表现出色,赢得了用户的高度认可卓越的设计理念,赋予了这款轴承超凡的性能,八零动力SKF角接触球轴承品种全,价格优,质量有保证!

用户关注最多的SKF轴承型号

SKF213 SKF51424 SKF5207A* SKF60/850MB SKF61801 SKF61811-2RS SKFGEZM408ES SKFNU12/630ECMA SKFOKCS178 SKFPCM030403B/VB055 SKFPCMW527802M SKFRNU207ECP* SKFSNL3240G SKFSYKC25NTR/VE495 SKFSYNT75F

7220BEP角接触球轴承近似的SKF轴承型号

SKF7220B/DB SKF2x7220BECBM SKF7220B SKF2x7220BECCM SKF7220BEY SKF7220C/DT SKF7220AC/DT SKF7220AC/DF SKF2x7220BECBP* SKF7220BECBP* SKF7220BECCM SKF7220BEY

用户关注最多的轴承狗热门型号

FAG  Z-565671.ZL-K-C5 FAG  SNV062-L + 20206-K-TVP-C3 + H206X015 + TSV506X015 SKF  CR22367 LYC  30212/01 FAG  22313-E1-K SKF  6204-ZN SKF  23126CCK/W33 国产  7305BM TIMKEN  560/552D+X3S-560 FAG  SNV120-L + 21311-E1 + DHV311 SKF  NNCF5009CV SKF  OH3160H TIMKEN  L507945/L507910 SKF  7308BECBY FAG  B71916-C-2RSD-T-P4S

版权所有©2009-2015 轴承狗zcgou.com ICP备案:津ICP备14004550号-13