SKF7220BECBM轴承详细参数

发布时间:2026-04-14
角接触球轴承, 单列
主要数据尺寸 尺寸 [英寸] 疲劳负荷限值 额定速度 体积 型号
动态 静态 参照速度 限制速度
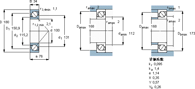
d D B C C0 Pu
mm kN kN r/min kg -
100180341351224,4400043003,617220 BECBM

SKF7220BECBM角接触球轴承供应商

八零动力专业销售7220BECBM角接触球轴承,库存SKF7220BECBM大量现货,与SKF合作,咨询热线:022-58519723业务咨询
SKF7220BECBM它在包装机械中的应用,确保了设备的高效率 它的耐高温性能,让它在极端环境下依然稳定运行 旋转无忧先进的制造技术,让这款轴承的质量达到了行业领先水平要设备更出色轴承的选材优质,确保了其在各种环境下都能稳定工作,八零动力SKF角接触球轴承品种全,价格优,质量有保证!

用户关注最多的SKF轴承型号

SKF1313ETN9 SKF16040 SKF23156CAC/W33 SKF6310-2RS1/W64* SKF7016C/DB SKFCR120X140X12HMSA10V SKFCR25x35x7CRW1R SKFCR41X56X7HMSA10RG SKFFYNT55F SKFNK10/16TN SKFKMK6 SKFNJ319E+HJ319E SKFNKIB5904 SKFSY2.15/16RM SKFSY30TR

7220BECBM角接触球轴承近似的SKF轴承型号

SKF7220AC SKF7220BECBM SKF7220AC/DT SKF7220BEP SKF7220C/DF SKF7220AC/DF SKF7220B SKF2x7220BECBM SKF7220C SKF7220BECCM SKF7220CD/P4A SKF7220BECBP*

用户关注最多的轴承狗热门型号

NSK  85BER29HV1V SKF  FY25TF/VA228 FAG  62201-2RSR SKF  SYH15/16WF KOYO  60/22-2RZ KOYO  NU2224R LYC  NJ 2214 EM FAG  SNV090-L + 1210-K-TVH-C3 + H210X112 + TSV510X112 RHP  3306A NTN  NNU4980K LYC  52320 国产  1308K TIMKEN  9382/9320D INA  KWVE15-B NACHI  6212ZE

版权所有©2009-2015 轴承狗zcgou.com ICP备案:津ICP备14004550号-13