SKF353152轴承详细参数

发布时间:2026-04-14
圆锥滚子推力轴承, 双向
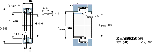
主要数据尺寸 基本负荷额定值 疲劳负荷限值 最小负荷系数 型号
动态 静态
d D H C C0 Pu
mm kN kN kg -
440645167198010800695190353152

SKF353152圆锥滚子推力轴承供应商

八零动力专业销售353152圆锥滚子推力轴承,库存SKF353152大量现货,与SKF合作,咨询热线:022-58519723业务咨询
SKF353152高品质的轴承,在各种复杂环境下都能稳定发挥作用它机械世界的心脏,默默支撑着无数设备的运转 高品质的轴承,在各种复杂工况下都能展现出卓越的性能表现先进的生产工艺,打造出了这款性能卓越的轴承是您值得信赖的工业伙伴,为您的机械保驾护航为您的工程保驾护航,,八零动力SKF圆锥滚子推力轴承品种全,价格优,质量有保证!

用户关注最多的SKF轴承型号

SKF2210E-2RS1KTN9 SKF30204J2/Q SKF53312U SKF629/HR22Q2 SKF7016ACD/P4A SKF71817CD/HCP4A SKF71906AC SKFAH2340/180 SKFCR35910 SKFCR73720 SKFHK1412 SKFLM281849/810 SKFNNCF4844CV SKFPCM11512050E SKFPWTR45100.2RS

353152圆锥滚子推力轴承近似的SKF轴承型号

SKF353152 SKF353151 SKF353153

用户关注最多的轴承狗热门型号

STEYR  NJ2310 NTN  N226 FAG  F-804462.ZL-K-C3 TIMKEN  644/632D/X1S-645 国产  6212-2RS/Z3 KOYO  2688/31 TORRINGTON  AS0821 SKF  319148B FAG  AH3160-H NACHI  14137A/14276 LYC  23120 CA/C4W33/S1 NSK  6816N TORRINGTON FAFNIR  71913C FAG  SNV090-L + 20210-TVP + DH210 SKF  NNCF4852CV

版权所有©2009-2015 轴承狗zcgou.com ICP备案:津ICP备14004550号-13