SKF7210BEP轴承详细参数

发布时间:2026-04-15
角接触球轴承, 单列
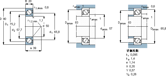
主要数据尺寸 尺寸 [英寸] 疲劳负荷限值 额定速度 体积 型号
动态 静态 参照速度 限制速度
d D B C C0 Pu
mm kN kN r/min kg -
50902037,728,51,22850085000,477210 BEP

SKF7210BEP角接触球轴承供应商

八零动力专业销售7210BEP角接触球轴承,库存SKF7210BEP大量现货,与SKF合作,咨询热线:022-58519723业务咨询
SKF7210BEP稳定旋转的核心力量它的材质选择,体现了对耐用性的极致追求 它在建筑机械中的应用,确保了设备的可靠性 高精度低摩擦轴承的性能可靠,为机械设备的稳定运行立下汗马功劳引领转动新潮流,,八零动力SKF角接触球轴承品种全,价格优,质量有保证!

用户关注最多的SKF轴承型号

SKF31308J2/QCL7CDF SKF314553 SKF6008/HR22T2 SKF71918ACE/HCP4A SKF71920ACD/HCP4A SKFCR395x430x18.01HDS1V SKFCR4000562 SKFCR80088 SKFCR95x120x12CRW1V SKFNNCL4836CV SKFNUP2328E SKFNUTR30A SKFSAFC2538 SKFSNW134x5.13/16 SKFZ011

7210BEP角接触球轴承近似的SKF轴承型号

SKF7210BEY SKF7210BECBY SKF7210B/DF SKF7210AC SKF7210BEGAP* SKF7210C/DF SKF7210BECBP SKF7210BECBM* SKF7210B/DT SKF7210BECBP* SKF7210BEGAP* SKF7210BEY

用户关注最多的轴承狗热门型号

SKF  YEL205-014-2F NSK  7200A5TYNP5 SKF  HK4512 TIMKEN  13889/13835D/X1S-13889 MRC  3210 SKF  N2307 NACHI  SN3030E INA  RWS1808-200/x200/x4 KOYO  68/1120 FAG  SNV052-L + 1304-TVH + DHV304 NACHI  7028DB KOYO  6322 SKF  S71928CD/HCP4A IKO  CRBT405A IKO  CRWU40-35R

版权所有©2009-2015 轴承狗zcgou.com ICP备案:津ICP备14004550号-13