SKF7210BECBY轴承详细参数

发布时间:2026-05-29
角接触球轴承, 单列
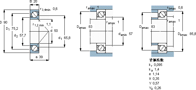
主要数据尺寸 尺寸 [英寸] 疲劳负荷限值 额定速度 体积 型号
动态 静态 参照速度 限制速度
d D B C C0 Pu
mm kN kN r/min kg -
5090203930,51,29850085000,477210 BECBY

SKF7210BECBY角接触球轴承供应商

八零动力专业销售7210BECBY角接触球轴承,库存SKF7210BECBY大量现货,与SKF合作,咨询热线:022-58519723业务咨询
SKF7210BECBY它的耐腐蚀性,减少了维护成本 它的加工设备,代表了世界领先水平 其设计和制造都达到了极高的水准,是一款不可多得的轴承这轴承的精度控制令人佩服,为设备的精准运行提供了保障设计独特的轴承,不仅性能优越,还具有很高的性价比它的低噪音设计,减少了对环境的噪音污染 ,八零动力SKF角接触球轴承品种全,价格优,质量有保证!

用户关注最多的SKF轴承型号

SKF22210CCK/W33+H310 SKF2308EKTN9 SKF249/1320CAF/W33 SKF249/1320CAF/W33 SKF314518B SKF3317A SKF51204 SKF6213/W64* SKF6305-2RS1* SKF7018CE/HCP4A SKFAXW40 SKFCR100X130X12HMS5V SKFCR11055 SKFCR24984 SKFS71909CD/HCP4A

7210BECBY角接触球轴承近似的SKF轴承型号

SKF7210BEP SKF7210BEY SKF7210AC SKF7210BECBM* SKF7210BEY SKF2x7210BECBM* SKF2x7210BECBJ SKF7210B/DT SKF2x7210BEGAM* SKF7210BECBY SKF7210BECBP* SKF7210BEGAP*

用户关注最多的轴承狗热门型号

SKF  CR30X42X6HMS5V NTN  61800-2RZ SNR  7028AC LYC  6209 E-2RZ/P5 SKF  CR1400234 NSK  7022C TIMKEN  HM89443/HM89411 STEYR  32022 SKF  H313E MAC  N419 RHP  NU2308 SKF  W6206-2RS1 TORRINGTON FAFNIR  6007-2Z SKF  54209 INA  GE50-KRR-B-FA164

版权所有©2009-2015 轴承狗zcgou.com ICP备案:津ICP备14004550号-13